电 话:028-86751041-8004
联系人:王倩
手 机:15308020014
地 址: 中国 上海 嘉定区嘉涌路99弄6号713

更新时间:2024-12-07 浏览数:42
所属行业:机械设备> 气动元件(机械、工业制品、行业设备)> 气缸
发货地址:
产品规格:--
产品数量:1
包装说明:--
单 价:面议
售SMC无杆气缸,含增税百分之十三
MY1B20-600H-M9BZ

中文介绍
MY1B 系列 机械接合式无杆气缸 基本型
●4种标准型号可用
●根据负载质量及必要精度的不同,有多种选择
※MY1BΦ25,Φ32,Φ40及MY1HΦ25,Φ32 ,Φ40 已于2013年4月停止生产
请选择MY1B-Z和MY1H-Z
描述
缸径 20 缸径 20mm
通口螺纹的种类 - M 螺纹(Φ10~Φ20),Rc(Φ25~Φ100)
配管形式 - 标准型
气缸行程 600 气缸行程 600mm
行程调整单元记号 H 左側:H重载用液压缓冲器+带调整螺钉,右侧:H重载用液压缓冲器+带调整螺钉
磁性开关型号 M9BZ 无触点磁性开关, 直接出线式, 带指示灯, 2线式, 横引出, 导线长5m, 适用电压:DC24V(DC10~28V)
磁性开关个数 - 2个 或 无
订制规格 - 标准
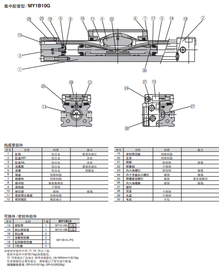
产品尺寸图示


型号大全
MY1B10G-100AS
MY1B10G-100H
MY1B10G-100HS
MY1B10G-104
MY1B10G-1050
MY1B10G-115A
MY1B10G-115H
MY1B10G-1200H
MY1B10G-120HS
MY1B10G-130
MY1B10G-130H
MY1B10G-145
MY1B10G-150
MY1B10G-150A
MY1B10G-150H
MY1B10G-150HS
MY1B10G-1600H
MY1B10G-160AH
气缸 RSDQA40-30DGZ-M9BZ
气缸 CDQMA50-15-M9BZ
气缸 MGPM12-10-M9BZ
气缸 RHCL20-200-M9BZ
气缸 MY1B20-600H-M9BZ
气缸 MY1B20-1000H-M9BL
气缸 MGPM16-75AZ-M9BL
气缸 MGPM32-75AZ-M9BL
调速阀 AS2201F-01-06SA
调速阀 AS2201F-02-06SA
调速阀 AS1201F-M5-06SA
调速阀 AS2201F-02-08A
电磁阀 SY5120-5GD-01
电磁阀 SY7220-5GD-02
接头 KQ2H06-01AS
接头 KQ2H06-02AS
接头 KQ2H08-02AS
阀板 SS5Y5-20-04
阀板 SS5Y5-20-02
阀板 SS5Y7-20-02
接头 KQ2L12-02S
堵头 PLUG 1/4
消音器 AN15-02
三通 KQ2U12-00
气管 TU1208B-20
气管 TU0805B-20
旋转气缸 RJC80-180-RS-3M
售SMC无杆气缸,含增税百分之十三