电 话:021-39526589-8004
联系人:覃小敏
手 机:19117262520
地 址: 中国 上海 嘉定区嘉涌路99弄6号713

更新时间:2022-11-18 浏览数:44
所属行业:化工> 化工仪表(化工)
发货地址:
产品规格:--
产品数量:1
包装说明:--
单 价:面议
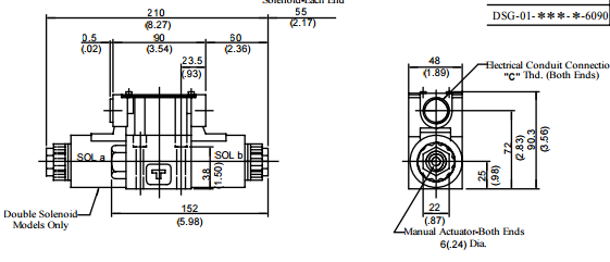
DSG-01系列电磁换向阀日本油研YUKEN

基本信息
这些是高压,高流量,低压降的电磁换向阀,其特点是
可以通过采用强大的湿式电磁阀和合理的流道设计来实现。
螺线管
螺线管连接器(DIN连接器)
电磁铁连接器符合国际标准ISO 4400(流体动力系统和组件三针
电气插头连接器 - 特性和要求)。
AC螺线管
当应用频率改变时,50至60赫兹的通用服务螺线管不需要重新布线。
直流电磁铁(信誉良好的K系列)
由于浪涌电压可以被控制到非常低的数字,所以可以使用电子控制装置,例如计算机
没有任何噪音干扰。
触点之间没有火花,继电器的寿命变长。
线圈断电后阀芯返回时间很短。
R型螺线管
这些是整流器和浪涌吸收器合并直流电磁铁,可直接连接使用
交流电源。与其他直流电磁铁一样,它们具有开关操作中声音相当的优点
低,线圈几乎不会被烧坏,即使阀芯在污染物颗粒转换的中途被卡住也是如此
而且,它们几乎可以使用而不受来自外部的浪涌电压的影响。从而,
他们是高可靠性和耐久性的螺线管
安装说明
如果使用No-spring detented型阀门
电磁阀断电状态下,将阀门安装在这样的一个
轴L-L'变成水平的方式来获得
制动效果牢固。 对于以外的阀门类型
以上,安装姿势没有限制。
电磁能量
对于双电磁阀,两个电磁阀都不通电
同时会导致线圈烧毁。
阀门油箱口
避免将阀箱端口连接到
可能的冲击压力。
油罐管路的管路末端应浸没在油中。
无冲击的类型
为了从无震动的操作中受益,
必须使用工作油填充油箱管路。
只有在油箱管线充满工作油之后,
定期启动阀门的操作。
手动超控推针的操作力
请注意,随着油箱管路的背压上升,
手动超驰推针变得难以操作(见下面的图表

DSG-01系列电磁换向阀日本油研YUKEN