电 话:021-39526589-8004
联系人:覃小敏
手 机:19117262520
地 址: 中国 上海 嘉定区嘉涌路99弄6号713

更新时间:2026-04-15 浏览数:60
所属行业:机械设备> 阀门> 执行器
发货地址:
产品规格:--
产品数量:1
包装说明:--
单 价:面议
Wenglor镜反射传感器L1FL66VB详解
企业QQ:2880626086
手机;(微信)
电话:-8004
邮箱:@163.com
联系人;王倩
实物图样:

描述:
可识别具有光泽度的物体
背板安装
集成式输出端
这种传感器的正常运作需要一个反射器。
基于高功能预留,它可以使用于任何工业
环境。由于传感器采用了极性光,即便是
镜面反射的物体也能够得以可靠识别。
电气数据
| 供电电压 | 10...30 V DC |
| 电流消耗(Ub = 24 V) | < 30 mA |
| 切换频率 | 2 kHz |
| 响应时间 | 250 μs |
| 温度偏差 | < 10 % |
| 温度范围 | -10...60 °C |
| 切换输出端压降 | < 2,5 V |
| PNP切换输出端切换电流 | 100 mA |
| 切换输出端剩余电流 | < 50 μA |
| 抗短路 | 是 |
| 反极性保护 | 是 |
| 防过载 | 是 |
| 防护类别 | III |
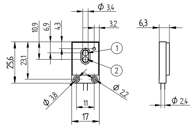
尺寸图:

光学数据
| 作用范围 | 1400 mm |
| 基准反射器/反射膜 | RQ100BA |
| 切换迟滞 | < 15 % |
| 光线类型 | 红光 |
| 偏振镜 | 是 |
| 使用寿命(Tu = +25 °C) | 100000 h |
| 大允许的外部光线 | 10000 Lux |
| 张角 | 15 ° |
| 双透镜系统 | 是 |
机械数据
| 外壳材料 | 塑料 |
| 防护等级 | IP67 |
| 接口类型 | 三芯电缆,2 m |
Wenglor镜反射传感器L1FL66VB详解