电 话:021-39526589-8004
联系人:覃小敏
手 机:19117262520
地 址: 中国 上海 嘉定区嘉涌路99弄6号713

更新时间:2026-04-15 浏览数:120
所属行业:机械设备> 阀门> 执行器
发货地址:
产品规格:--
产品数量:1
包装说明:--
单 价:面议
Wenglor颜色传感器P1XF001详解
企业QQ:2880626086
手机;(微信)
电话:-8004
邮箱:@163.com
联系人;王倩
实物图样:

性能描述:
个开关输出用于评估 采用ROYGBV (red, orange, yellow,
green, blue, violet)色彩空间详细色彩分析
即使距离变动时也能可靠分析测量值
采用版本1.1 IO-Link,适用于工业4.0
借助 6波段多光谱传感器,能够测量物体颜色的光谱
聚合并分析位变异构效应。创新颜色芯片技术能够借
助独立设定的公差范围将选定的色谱划分为六个光谱
区。组合玻璃光纤,传感器能够适应各种应用的指定
要求并可在按键和光栅模式中设置。P1XF001拥有十二
个切换输出端和集成LED,能够自动调节佳光线质量。
传感器设置可直接在OLED显示屏上通过RS-232或IO-Link
接口进行。
机械数据
| 调整方式 | 菜单(OLED) |
| 外壳材料 | 塑料 |
| 防护等级 | IP67 |
| 接口类型 | M12 × 1;4+8针 |
| DIN轨道固定 | 35 mm |
安全技术数据
| MTTFd (EN ISO 13849-1) | 345,43 a |
功能数据
| 可设置的菜单语言 | 是 |
输出功能
| 可切换的常闭/常开触点 | 是 |
| 可编程的PNP/NPN/推挽式 | 是 |
| RS-232接口 | 是 |
| IO-Link | 是 |
| 错误输出端 | 是 |
| 污染输出端 | 是 |
显示屏亮度会随着使用寿命的延长而降低。因此会影响传感器性能。光学数据
| 光谱灵敏度 | 450...700 nm |
| 光线类型 | 白光 |
| 使用寿命(Tu = +25 °C) | 50000 h |
| 大允许的外部光线 | 10000 Lux |
电气数据
| 供电电压 | 10...30 V DC |
| 带 IO-Link 的电源电压 | 18...30 V DC |
| 电流消耗(Ub = 24 V) | ~ 260 mA |
| 切换频率 | 2 kHz |
| 响应时间 | ~ 500 μs × filter |
| 吸合/脱扣时间延迟 | 0...10000 ms |
| 温度范围 | -25...60 °C |
| 转换输出端数量 | 12 |
| 切换输出端压降 | 1,5 V |
| PNP切换输出端切换电流 | 100 mA |
| 抗短路 | 是 |
| 反极性保护 | 是 |
| 防过载 | 是 |
| 示教模式 | FT |
| 接口 | IO-Link V1.1/RS-232 |
| 数字输入端数量 | 3 |
| 防护类别 | II I
|
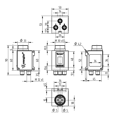
尺寸图:

相关型号:
RGBF02X16-772L
ES771
ES771/2
EGT2SD4K
WKT1234DRW
KCB4E4E4E4E0000WZ
NZ2HB-511L060C1630
NZ2HB-511L060C1631
EGT1SEM4C1613
FRONTPL HBE SCHWARZ+DICHTUNG-055058
STUFENSCHALTER MIT DREHKNOPF 3 DUAL
ZSA2A1G05A
ZSA2A1G10A
ZSA2A1S05A
ZSA2A2G05A
ZSA2A2G10A
ZSA2A2S05A
ZSA2B2G05A
ZSA2B2G10A
ZSR2A1G05A
ZSR2A1G10A
ZSR2A1S05A
ZSR2A2G05A
ZSR2A2G10A
ZSR2A2S05A
GSBF04R16-514
KCB6D6D6D6D0000V0W
SR11WF
ZSB054784
HBL-054855
DICHTUNG E HKD
HKD025S100A05
HKD025X100A05
HKD025S100G24
HKD100S100A05
HKD100X100A05
HKD100S100G24
HBLS054875
KP3X
WET135678DWZ
WES1-8DW
HKD100S100A05C1671
WKT8/4RDW
TZ1LE024PGOR8C
HBL-054975
U1216-50
U1216-800
SPIRALLEITUNG KPL. 28AD. 5M FLDOSE
SPIRALLEITUNG KPL. 21AD. 5M FLDOSE
ZSR2B2G05A
ZSR2B2G10A
RGBF03C12C1528
NZ2VZ-528E3VSM09
KCB4K4K4K4K0000V0WZ
TZ2RE024SR6-C1638
WES1234VW
Wenglor颜色传感器P1XF001详解