电 话:028-86751041-8004
联系人:王倩
手 机:15308020014
地 址: 中国 上海 嘉定区嘉涌路99弄6号713

更新时间:2022-11-18 浏览数:103
所属行业:机械设备> 阀门> 执行器
发货地址:
产品规格:--
产品数量:1
包装说明:--
单 价:面议
PHOENIX继电器模块2900299详解资料
企业QQ:2880626087
手机;(微信)
电话:-8004
邮箱:@163.com
联系人;王倩
实物图样:

:
薄型设计
通过V8适配器实现有效的系统连接
RT III密闭继电器
线圈和触点之间安全隔离,符合DIN EN 50178
功能型插入式桥接片
集成式输入模块与干扰抑制模块
尺寸:
| 宽度 | 6.2 mm |
|---|---|
| 高度 | 80 mm |
| 深度 | 94 mm |
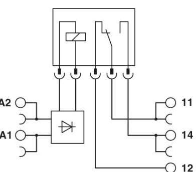
电路图:

线圈侧:
| 额定输入电压 UN | 24 V DC |
|---|---|
| UN下的典型输入电流 | 9 mA |
| 典型响应时间 | 5 ms |
| 典型释放时间 | 8 ms |
| 保护电路 | 极性保护 极性保护二极管 |
| 备用二极管 阻尼二极管 | |
| 工作电压显示 | 黄色LED |
| 额定条件下的功耗 | 0.22 W |
PHOENIX继电器模块2900299详解资料