电 话:021-39526589-8004
联系人:章莹玲
手 机:18918574312
地 址: 中国 上海 嘉定区嘉涌路99弄6号713

更新时间:2026-05-18 浏览数:56
所属行业:仪器仪表> 其他仪器仪表分类
发货地址:
产品规格:--
产品数量:1
包装说明:--
单 价:面议
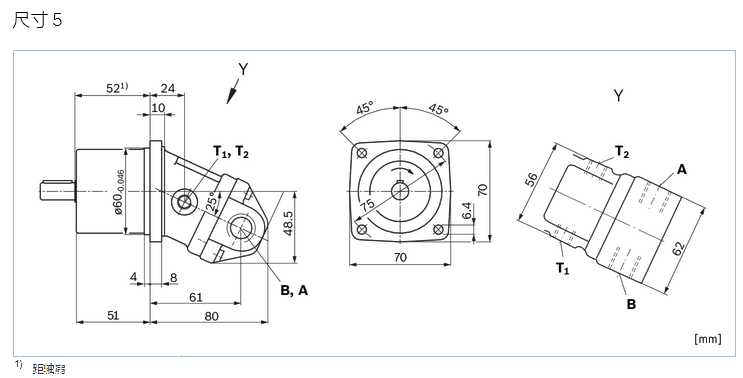
德国RESROTH进口轴向柱塞定量马达

产品特征:
马达牢固耐用,使用寿命长久
经认可能用于速度很高的高速运行
初始效率高
极优的低速运行特性
多种控制
控制范围广(可旋转到 0)
工作油口 SAE法兰或螺纹
可选配集成式溢流阀
其它可选配的阀门:平衡阀(BVD/BVE),冲洗阀和增压阀
这些值在以下情况时有效:
- 佳粘度范围始于 vopt = 36 到 16 mm2/s
- 采用基于矿物油的液压油
2) 大间歇速度:卸载和检修过程超速,t < 5 s 并且 Δp < 150 bar
3) 平衡阀输入流量限制
4) 无径向力转矩,有关径向力请参见表“驱动轴的径向力和轴向力”
表中的数值为理论值,未计算效率和容差。这些值为四舍五入值。
超过大允许值或低于小允许值可能导致功能丧失、
运转使用寿命缩短或使轴向柱塞单元总体损坏。
速度变化、作为频率函数的角加速度减小、以及启动时允许的角加速度
(低于大角加速度)等其它允许限值,请参考:数据表 90261.
扭矩高
技术参数:
可选配附加式冲洗阀和增压阀
可选配集成式或附加式平衡阀
弯轴设计
可用的公称尺寸齐全,从而可根据具体应用调整
具有高功率密度
总效率非常高
初始效率高
为了降低轴向柱塞单元中液压油的温度,我们建议使用冲洗阀和补油阀
根据装置的尺寸,也可冲洗排气口 U 处的壳体。
有关液压油选择的详细说明
选择液压油时,应确保工作温度范围内的工作粘度处于佳范围内


德国RESROTH进口轴向柱塞定量马达