电 话:021-39526589-8004
联系人:覃小敏
手 机:19117262520
地 址: 中国 上海 嘉定区嘉涌路99弄6号713

更新时间:2022-11-18 浏览数:59
所属行业:机械设备> 阀门> 执行器
发货地址:
产品规格:--
产品数量:1
包装说明:--
单 价:面议
HERION比例阀MR6UP10G00800工作原理
企业QQ:2880626087
手机:
电话: -8004
传真: -8007
邮箱: @163.com
联系人:王倩
实物图样:

特点:
根据设定值规格进行速度控制
?程序控制,遥控
?以弹簧为中心,坚固耐用的设计
?经济实惠的系统解决方案
?高重复精度和小滞后
通过位置控制
结构:
比例流量控制阀NG 6在此之后
内置5室系统,设计为滑阀。
阀门按比例电磁操作。该
阀门调整由一个测量系统进行
检测并作为实际值馈送到位置控制回路。
干扰得到纠正。选定的设定值
因此不断地达到。实际的位置值
由感应式差动变压器供电
集成电子元件检测
应用:
比例流量控制阀可用于速度控制
液压缸和液压马达
与法兰连接使用
压力补偿器具有恒定的负载补偿
在节流阀处受到影响。通过稳定
可控信号可以通过电器
轻松控制各种动作
被非常敏感地驾驶。
附件:
这些设备被拧到连接板上
用O形圈连接并密封。
线路连接
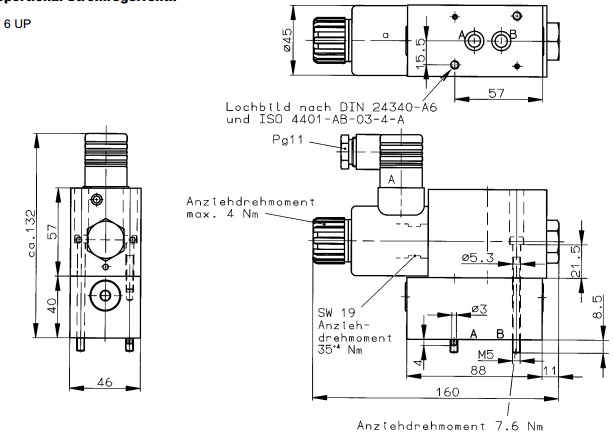
连接板,孔图符合DIN 24 340-A 6和
ISO 4401-AB-03-4-A。
尺寸图:

工作原理:
液压油从P点进入,沿实线上行。 竖线上的阀是一个减压阀,给后
面的换向联提供控制油。 减压阀后面横着的是减压阀的溢流阀,起
保护作用。 减压阀下面那个是卸荷阀,这个阀两端受P口压力和负荷
传感压力的联合控制,当后面的换向联的阀芯全部处于中位时,负荷
传感的压力是零,这个阀就会在P口压力作用下打开,油泵来的液压
油直接返回油箱。这个阀的开口大小是随着负载压力变化的,可以调
节返回油箱的流量,反过来,就可以控制负载的动作速度。 卸荷阀
的下面是负荷传感压力的溢流阀,也是整个阀组的保护。 下面的
是两位两通的电磁卸荷阀,通电后可以把负荷传感的信号油(虚线)
放回油箱,阀组立刻失去压力,可以起到应急保护作用。就像二楼说
的一样。 右面的点划线框内是换向联。 进油口没有细画,应该有一
个压力补偿 。阀芯上面是两个比例电磁铁,下面是手柄,表示双操作。
阀芯的两侧有两条长竖线,表示阀芯有中间状态,是比例阀。
相关图样:








HERION比例阀MR6UP10G00800工作原理