电 话:028-86751041-8004
联系人:王倩
手 机:15308020014
地 址: 中国 上海 嘉定区嘉涌路99弄6号713

更新时间:2022-11-18 浏览数:78
所属行业:机械设备> 阀门> 执行器
发货地址:
产品规格:--
产品数量:1
包装说明:--
单 价:面议
HERION减压阀DYK6UPG8020工作原理
企业QQ:2880626087
手机:
电话: -8004
传真: -8007
邮箱: @163.com
联系人:王倩
实物图样:

结构:
压力在这些比例减压阀上
通过一个可变的
磁力作用于活塞上,设定。该
间接控制减压阀组成的
带比例电磁铁的先导阶段和
主要阶段,由试点阶段控制。
液压可以通过改变液压来改变
馈入比例电磁铁的电流I,
被设置。目前的变化是由a
电位器并通过控制电子元件制成。
应用:
在液压控制中,通常有这种情况
需要使用电信号的压力
影响,如以纯遥控器为主
避免长的液压管道,或
用于压力自动控制的程序控制
必须调整。非常普遍
这些比例减压阀处于过程控制状态
他们使用塑料注射机。
附件:
这些设备被拧到连接板上
用O形圈连接并密封。
线路连接:
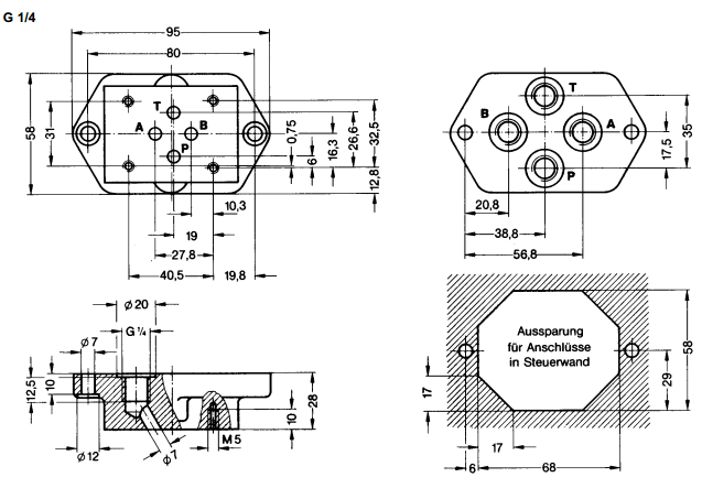
连接板,孔图符合DIN 24 340-A 6和
ISO 4401-AB-03-4-A。
特点:
?简单的电气程序和遥控器
?输出压力稳定,即使更改
进口压力
?根据要求提供外部控制排油
尺寸图:

特征:
指定减压阀
图标
类型活塞阀,间接控制
安装型法兰
线路连接板
安装位置任意
从P到A和从A到T的流动方向
驱动比例电磁铁的类型
质量减压阀[kg] 3,25
接地板[kg] G 1/4 = 0.7
G 3/8 = 1.0
环境温度范围θu[°C] -20 ... +50
公称尺寸NG 6
液压特性
工作压力范围pe [bar] ... 330
设定压力范围1)pv [bar] pv max。:
压力等级50:... 150
压力等级70:... 100
压力等级80:... 210
压力等级90:... 315
压力介质温度θmmax。 [°C] +70
粘度范围ν[mm2
/ s] 12 ... 500
流量Q [l / min]见特性曲线
设定压力范围的操作时间
从pv分钟。高可达pv。
在入口压力210巴和Q = 0 [ms] 70(对于压力水平70)
滞后2)[%IN] <5
重复精度2)[大%大]约±1
响应灵敏度2)[%IN] <1
根据ISO 4406:17/15/12过滤油品清洁度等级
电气特性比例磁铁
磁铁订单号7292
额定电流IN [mA] 1600
额定功率P20 [W] 14.6
电阻器R20 [Ω] 5.7
占空比ED [%] 100
电气连接符合DIN 43 650 A的设备插座
符合DIN 40 050 IP 65的防护等级(带有电器插座)
控制电子装置DC 05 / DC 05-XLT见表5
pQ 11和pQ 12见表5
HERION减压阀DYK6UPG8020工作原理