电 话:021-39526589-8004
联系人:章莹玲
手 机:18918574312
地 址: 中国 上海 嘉定区嘉涌路99弄6号713

更新时间:2026-05-18 浏览数:43
所属行业:机械设备> 阀门> 执行器
发货地址:
产品规格:--
产品数量:1
包装说明:--
单 价:面议
AVENTICS微型气缸1321602000技术数据
企业QQ:2880626087
手机:
电话: -8004
传真: -8007
邮箱: @163.com
联系人:王倩
基本信息:
实用原则双作用式
缓冲弹性
活塞直径16 mm
活塞杆螺纹M6
行程25 mm
密封件材料丙烯树胶
防尘圈聚氨酯
耐腐蚀耐腐蚀
压缩空气连接M5
压缩空气接口型号内螺纹
实物图样:

材料:
气缸管子 不锈钢
活塞杆 不锈钢
前端盖板 聚甲醛
后盖 聚甲醛
连接螺纹 不锈钢
密封 丙烯树胶
锁紧环螺母 聚酰胺
用于活塞杆的特殊螺母 不锈钢
防尘圈 聚氨酯
润滑物 ISO 21469 (NSF-H1)
技术信息:
压缩空气连接 内螺纹
环境温度范围 -20 ... 70 °C
介质温度范围 -20 ... 70 °C
介质 压缩空气
颗粒大小 max. 50 μm
压缩空气中的含油量 0 mg/m3
确定活塞推力的压力 6.3 bar
压力露点必须至少低于环境和介质温度 15 °C ,并且允许 的
高温度为 3 °C 。
压缩空气的油含量必须在整个使用寿命中保持不变。
只可使用经过 AVENTICS 公司许可的油
MR3螺母包含在功过范围内
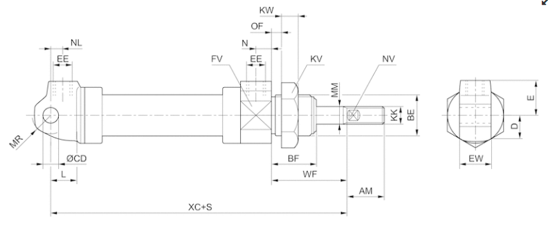
尺寸图:


常见故障:
⒈汽缸是铸造而成的,汽缸出厂后都要经过时效处理,使汽缸在住
铸造过程中所产生的内应力完全消除。如果时效时间短,那么加工
好的汽缸在以后的运行中还会变形。
⒉汽缸在运行时受力的情况很复杂,除了受汽缸内外气体的压力差
和装在其中的各零部件的重量等静载荷外,还要承受蒸汽流出静叶
时对静止部分的反作用力,以及各种连接管道冷热状态下对汽缸的
作用力,在这些力的相互作用下,汽缸易发生塑性变形造成泄漏。
⒊汽缸的负荷增减过快,特别是快速的启动、停机和工况变化时温
度变化大、暖缸的方式不正确、停机检修时打开保温层过早等,在
汽缸中和法兰上产生很大的热应力和热变形。
⒋汽缸在机械加工的过程中或经过补焊后产生了应力,但没有对汽
缸进行回火处理加以消除,致使汽缸存在较大的残余应力,在运行
中产生的变形。
⒌在安装或检修的过程中,由于检修工艺和检修技术的原因,使内
缸、汽缸隔板、隔板套及汽封套的膨胀间隙不合适,或是挂耳压板
的膨胀间隙不合适,运行后产生巨大的膨胀力使汽缸变形。
AVENTICS微型气缸1321602000技术数据