电 话:028-86751041-8004
联系人:王倩
手 机:15308020014
地 址: 中国 上海 嘉定区嘉涌路99弄6号713

更新时间:2022-11-18 浏览数:54
所属行业:机械设备> 阀门> 执行器
发货地址:
产品规格:--
产品数量:1
包装说明:--
单 价:面议
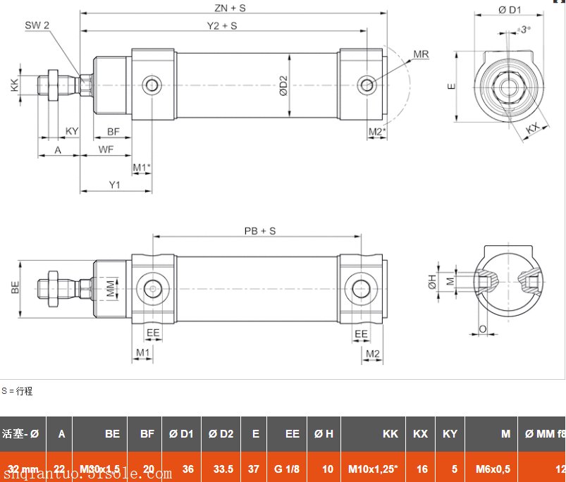
AVENTICS无杆气缸R412020640尺寸图
企业QQ:2880626087
手机:
电话: -8004
传真: -8007
邮箱: @163.com
联系人:王倩
实物图样:

一般信息:
实用原则双作用式
缓冲弹性
缓冲设置已确定
磁性销钉带磁性活塞
活塞直径32 mm
活塞杆螺纹M10x1,25
行程25 mm
密封件材料聚氨酯
防尘圈聚氨酯
压缩空气连接G 1/8
压缩空气接口型号内螺纹
技术信息:
压缩空气连接 内螺纹
工作压力范围 1 ... 10 bar
环境温度范围 -20 ... 80 °C
介质温度范围 -20 ... 80 °C
介质 压缩空气
颗粒大小 max. 50 μm
压缩空气中的含油量 0 mg/m3
确定活塞推力的压力 6.3 bar
材料:
气缸管子 不锈钢
活塞杆 不锈钢
活塞 铝材
前端盖板 铝材
后盖 铝材, 阳极氧化处理
密封 聚氨酯
用于活塞杆的特殊螺母 钢, 镀锌
防尘圈 聚氨酯
导向衬套 钢
润滑物 ISO 21469 (NSF-H1)
注意:
压力露点必须至少低于环境和介质温度 15 °C ,并且允许 的
高温度为 3 °C 。
压缩空气的油含量必须在整个使用寿命中保持不变。
只可使用经过 AVENTICS 公司许可的油
磁性传感器必需的紧固零件
尺寸图:

原理:
磁耦无杆气缸的工作原理:在活塞上安装一组高强磁性的磁环,
磁力线通过薄壁缸筒与外面滑块里面的另一组磁环作用,由于两组
磁环磁性相反,因此具有很强的相互吸力。当活塞在缸筒内被气压
推动时,活塞运动,活塞运动的同时,外部滑块内的磁环被活塞上
的磁环磁力线影响,做同步移动。气缸活塞的推力必须与内外磁环
的吸力相适应,当使用气压过高或负载过重,导致活塞推力过大,
磁环相互之间的吸引力无法保持的时候,内外磁环会脱开,气缸工
作出现不正常,术语称为脱靶。
AVENTICS无杆气缸R412020640尺寸图