电 话:028-86751041-8004
联系人:王倩
手 机:15308020014
地 址: 中国 上海 嘉定区嘉涌路99弄6号713

更新时间:2022-11-18 浏览数:51
所属行业:机械设备> 阀门> 换向阀
发货地址:
产品规格:--
产品数量:1
包装说明:--
单 价:面议
安沃驰AVENTICS DO22系列 两位三通换向阀
企业QQ:2880626084
手机;(微信)
电话:-8005
邮箱:@163.com
联系人;冯娇
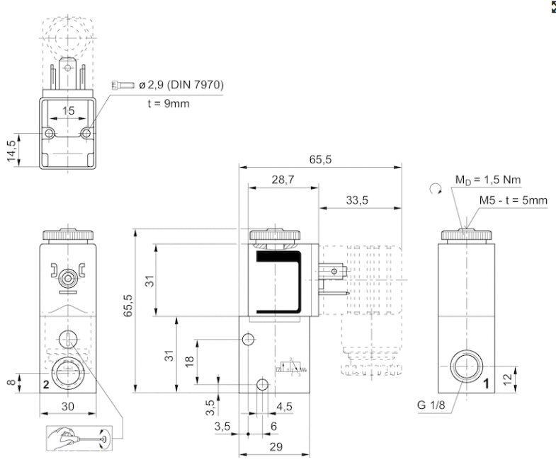
管式连接压缩空气 接口 出口 : G 1/8电气连接 : 多芯插头, ISO 6952, B 型手动控制装置 : 没有
结构特点提动阀
外壳聚酰胺
密封件材料氟-树胶
防护等级IP65
接口尺寸ISO 6952, B 型
类型多芯插头
Qn 1?272 l/min
Qn 2?388 l/min
压缩空气 接口 人口G 1/8
压缩空气 接口 出口G 1/8
工作电压 AC110 V
操作电子
密封原理 软密封
工作压力范围 See table
低 / 高环境温度 -10 ... 50 °C
介质温度范围 -10 ... 50 °C
介质 压缩空气
颗粒大小 max. 5 μm
压缩空气中的含油量 0 ... 5 mg/m3
额定流量 1 ? 2 See table
额定流量 2 ? 3 See table
防护等级,带接口 IP65
兼容性目录 See table
暂载率 100 %
固定螺栓 M4
重量 0,11 kg
压缩空气连接尺寸 按照国际标准 ISO 16030
反向极性保护 反极性保护
暂载率 100 %
接通时间型号 22 ms
关闭时间型号 20 ms
不可超过小控制压力,否则会导致故障电路和可能发生阀故障!
压力露点必须至少低于环境和介质温度 15 °C ,并且允许 的高温度为 3 °C 。
压缩空气的油含量必须在整个使用寿命中保持不变。
如阀受到阻隔,则接通时间的允许环境温度为35 °C。

安沃驰AVENTICS DO22系列 两位三通换向阀