电 话:021-39526589-8004
联系人:覃小敏
手 机:19117262520
地 址: 中国 上海 嘉定区嘉涌路99弄6号713

原装YUKEN柱塞泵价格查询
企业QQ:2880626087
手机:
电话: -8004
传真: -8007
邮箱: @163.com
联系人:王倩
实物图样:

特点:
高效率:
在压力16MPa(2320PSI)和压力条件下
转速1800 r / min,容积效率超过98%
整体效率超过90%。
低噪音水平:
在“A16”泵中,噪音水平低至57.3 dB(A)
[在全速截止压力21 MPa(3050 PSI)速度下
距水泵1米(3.3英尺)水平距离1500 r / min
头套。]
节能的成就:
因为总体效率很高而且截止
特点是尖锐的,因此输入功率可能是
保存。
发热量低:
由于功率损失小,可以减少上升
在油温下。 因此,水库的容量可以
减少。
液压油:
使用石油基油如抗磨损液压油
或R&O(防锈和氧化抑制剂)型液压油
相当于ISO VG-32或46。建议的粘度范围为20至400 mm / s(98至1800 SSU)和
温度范围为0至60°(32至140°F),均为
这对于使用上述液压装置必须满足
油。
控制污染:
必须注意保持控制
否则会导致工作油污染
分解并缩短单位的寿命。 请保持
NAS等级10内的污染程度。
吸入口必须至少配备100μm
(150目)的油箱式过滤器和回油管路必须有
一个10μm以下的线型过滤器。
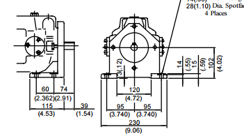
尺寸图:

注意:
在使用压力高于压力的情况下应小心
额定压力,因为操作条件可能受到限制。 对于
例如,如果按照所示的操作条件使用,
流动时间限制在1/5以下
循环时间和6秒钟以内同时进行。 条件可能会有所不同
根据实际工作压力和交付情况(倾斜度
斜盘的角度)。 咨询工厂或Yuken的销售
代表进一步通知。
吸入压力:
泵入口处允许的吸入压力为
介于-16.7和+50 kPa之间(5 in.Hg真空和7 PSIG)。
对于吸入口的管路,使用相同的管路
直径与要使用的指定管法兰的直径相同。 使
确保泵吸口的高度在一个范围内
米(3.3英尺)距油箱内的油位。
管道提示:
当使用钢管作为吸入口或排出口时,
从管道到泵的过度负载会产生过量
噪声。
每当担心过度负荷时,请使用橡胶
软管。
吸气管道:
如果泵安装在油位以上,则吸气
管道和吸油管路过滤器应位于比油管低的位置
泵的位置以防止吸入管路中的空气。
原装YUKEN柱塞泵价格查询