电 话:021-39526589-8004
联系人:覃小敏
手 机:19117262520
地 址: 中国 上海 嘉定区嘉涌路99弄6号713

原装YUKEN叶片泵注意事项
企业QQ:2880626087
手机:
电话: -8004
传真: -8007
邮箱: @163.com
联系人:王倩
实物图样:

轴的对齐:
尽可能采用弹性联轴器,避免弯曲或推力造成的压力。
大允许偏差小于0.1毫米(.004英寸)TIR,大允许偏差
错角小于0.2°。
吸入压力:
将泵入口处的吸入压力设置为下表中给出的值。 此外,使用管道
在具有如安装图所示的直径的吸入侧中。 在泵的情况下
安装在油箱上或高于油箱顶盖的位置,泵的吸油口高度
应距离油位小于1米(3.3英尺)(使用磷酸盐时小于0.8米(
2.6英尺))酯流体或含有流体的水}。
启动时的注意事项:
在初次操作或长时间休息后的操作中,泵可能难以吸取液体。
在这种情况下,应在排出侧预先安装排气阀(型号ST1004-
* -10 *,目录号Pub。 EC-3001),或者通过稍微松弛排放口上
的连接件排出空气侧。 在起动时,尽可能间歇地空载运行泵。
有关起动时的流体粘度,请参阅“液压油”项目。
其他预防措施:
如果以1200 r / min以下的速度使用泵,请将泵的吸入口向上安装,
以便泵可以在起动时轻松吸取液体
液压油的类型:
可以使用下表1中列出的任何类型的液压流体。 但是,泵
的规格如大压力和大泵速可能会根据液压油的类型而
改变要使用的。 详情请参阅有关泵的规格。
流体制造商商业贸易名称
移动
日本能源公司
NIPPON OIL CO。,LTD
昭和壳牌石油公司
MATSUMURA OIL
研究公司
COSMO OIL CO。,LTD。
美孚Hydrofluid HFC
46
JOMO Hydria
HYRAND FRX 46
Irus Fluid C
G-W流体46
HYDOL HAW
COSMO FLUID HQ 46
COSMO FLUID GS 46
流体粘度和温度:
使用满足表3中给出的粘度和油温的液压油
下面。 但是,请注意,如果表4中列出的任何泵以低速启动,
则为大值流体粘度受到限制。
石油基础油
磷酸酯
水乙二醇
油中的水
流体温度
°C(°F)
粘性
毫米/秒(SSU)2
0-70(32-158)
0-50(32-122)
5-50(41-122)
20-400(100-1800)
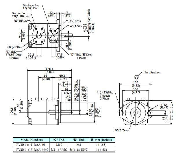
尺寸图:

原装YUKEN叶片泵注意事项