电 话:021-39526589-8004
联系人:覃小敏
手 机:19117262520
地 址: 中国 上海 嘉定区嘉涌路99弄6号713

更新时间:2022-11-18 浏览数:86
所属行业:电子> 变压器、电感器(电子元器件)> 电子变压器
发货地址:
产品规格:--
产品数量:1
包装说明:--
单 价:面议
数据手册:HENGSTLER旋转式变压器
企业QQ:2880626086
手机;(微信)
电话:-8002
邮箱:@163.com
联系人;余玲
产品简介
Harowe旋变
可选尺寸范围广,10-55mm
适用于多种速度的情况
温度范围高达200°C
适用于抗辐射模型
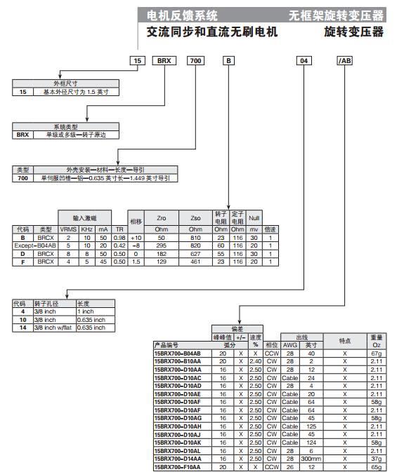
产品型号表述:


规格
外径:1.05"(26.7mm) / 1.45"(36.8mm)
/ 2.06"(52.3mm) / 3.05"(77.5mm) / 5.50"(139.7mm)
轴径或孔径:0.237" (6mm)/ 0.472"(12mm)
/ 0.8007" (20mm)/ 1.5763"(40mm) / 3.6515"(92.7mm)
脉冲数或分辨率:单倍速至4倍速(X1,X2,X3,X4)
防护等级:-
高转速:
其它
电子式:2~12V输入电压
机械式:6mm, 12mm, 20mm, 40mm, 和93mm
Harowe 无外壳旋转变压器适合无刷电机,
机器人或直驱电机的和简单的伺服应用+BQ69
10BRCX-401-K1E
产品编号 弧分 相位 AWG 英寸 Oz
产品图片

型号表
10BRCX-400-B1A/15
10BRCX-401-A1/20
10BRCX-401-A1H/20 高温,轴向出线 1.3
10BRCX-401-A1HL 高温,轴向出线 1.3
10BRCX-401-A1HR
10BRCX-401-A1HT 高温,轴向出线 1.3
10BRCX-401-A2C/20
10BRCX-401-A2H Hi-Temp 1.3
10BRCX-401-A2HR 高温,轴向出线 1.3
10BRCX-401-B1A/15
10BRCX-401-B1A/20
10BRCX-401-B1T/20 径向出线 1.3
10BRCX-401-B2T 径向出线 1.3
10BRCX-401-B2TA 径向出线 1.3
10BRCX-401-B9T 径向出线 1.3
10BRCX-401-H1/15
10BRCX-401-H1V 高压 37g
10BRCX-401-J1A/15 屏蔽管线 1.3
10BRCX-401-J2/15 屏蔽管线 1.3
10BRCX-401-K1
10BRCX-401-K1C
10BRCX-401-K1CE
10BRCX-401-K1E
数据手册:HENGSTLER旋转式变压器