电 话:021-39526589-8004
联系人:覃小敏
手 机:19117262520
地 址: 中国 上海 嘉定区嘉涌路99弄6号713

更新时间:2026-05-16 浏览数:42
所属行业:机械设备> 阀门> 执行器
发货地址:
产品规格:--
产品数量:1
包装说明:--
单 价:面议
日本油研DSG-01系列电磁换向阀性能说明
企业QQ:2880626087
手机:
电话: -8004
传真: -8007
邮箱: @163.com
联系人:王倩
实物图样:

特征:
这些是高压,高流量和低压降的电磁换向阀,其特点
可以通过采用强大的湿式电磁阀和合理的流道设计来实现
标准型:高压使用:31.5 MPa(4570 PSI)和高流量:
63 L / min。 (16.6 U.S.GPM)
无冲击的类型:阀芯转换时的噪音和管道振动可以降至低。
运行稳定
凭借强大的磁铁和弹簧力,阀门对抗污染非常坚固,从
而确保稳定的运行。
选项:
可用于手动切换阀芯。 推动
按钮可以被锁定在按下状态。
带电磁式指示灯的插入式连接器
这些是指示灯集成插件
连接器类型的螺线管。 通电或断电
的螺线管可以很容易地识别出来
合并指示灯。
螺线管:
螺线管连接器(DIN连接器)
电磁铁连接器符合国际标准ISO 4400(流体动力系统和
组件三针
电气插头连接器 - 特性和要求)。
AC螺线管
当施加的频率改变时,50至60 Hz的通用服务螺线管不需
要重新接线。
DC螺线管(信誉级K系列)
由于浪涌电压可以控制在非常低的数字,因此可以使用
电子控制设备,例如计算机
没有任何噪音干扰。
触点之间没有火花,继电器的寿命变长。
线圈断电后阀芯返回的时间滞后非常短。
控制污染:
的粘度和油温
电磁操作方向阀
DSG-01 / S-DSG-01
带锁紧螺母的按钮
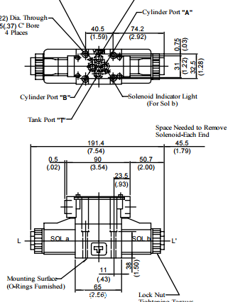
尺寸图:


说明:
在使用No-spring detented型阀的情况下
电磁阀断电状态下,将阀门安装在这样一个
轴L-L'变成水平的方式来获得
制动效果牢固。对于以外的阀门类型
以上,安装姿势没有限制。
电磁能量
对于双电磁阀,两个电磁阀都不通电
同时会导致线圈烧毁。
阀门油箱接口
避免将阀箱端口连接到带有
可能的冲击压力。
油罐管路的管路末端应浸没在油中。
无冲击类型
为了从无震动的操作中受益,它是
必须使用工作油填充油箱管路。
只有在油箱管线充满操作油之后,
定期启动阀门的操作。
R型螺线管:
这些是整流器和浪涌吸收器合并直流电磁阀,可直接连
接使用
交流电源。与其他直流电磁铁一样,它们具有开关操
作中声音相当的优点
低,线圈几乎不会被烧坏,即使线轴卡在转换过程中
污染颗粒的中途
此外,它们几乎可以使用而不受来自外部的浪涌
电压的影响。从而,他们是高可靠性和耐用性的螺线管。
日本油研DSG-01系列电磁换向阀性能说明