电 话:028-86751041-8004
联系人:王倩
手 机:15308020014
地 址: 中国 上海 嘉定区嘉涌路99弄6号713

更新时间:2022-11-18 浏览数:57
所属行业:机械设备> 气动元件(机械、工业制品、行业设备)> 气缸
发货地址:
产品规格:--
产品数量:1
包装说明:--
单 价:面议
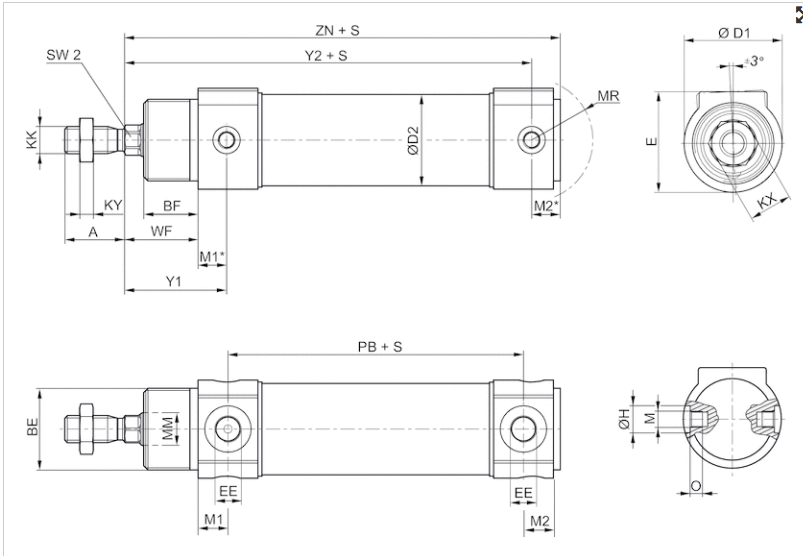
圆柱形气缸RPC -R412020640/AVENTICS安沃驰尺寸选型
企业QQ:2880626084
手机;(微信)
电话:-8005
邮箱:@163.com
联系人;冯娇
一览:
在环境温度和中等温度下,压力露点必须至少为15°C,且不得超过3°C。
压缩空气的含油量在生命周期内必须保持不变。
只能使用AVENTICS认可的油品,
需要用于磁场传感器的夹紧件
一般规格:
功能原理双作用
缓冲弹
可调缓冲不可调
磁性活塞与磁性活塞
活塞直径32毫米
活塞杆螺纹M10x1,25
行程25毫米
密封材料聚氨酯
刮刀聚氨酯
压缩空气连接G 1/8
压缩空气连接类型内螺纹
圆筒管 不锈钢
活塞杆 不锈钢
活塞 铝
封面 铝
端盖 铝,阳极氧化
密封 聚氨酯
活塞杆螺母 钢,镀锌
刮刀 聚氨酯
导套 钢
滑润剂 ISO 21469(NSF-H1)
压缩空气连接 内螺纹
工作压力小/大 1 ... 10巴
环境温度小/大 -20 ... 80°C
介质温度小值/大值 -20 ... 80°C
中 压缩的空气
大。粒度 50微米
压缩空气的含油量 0毫克/立方米
确定活塞力的压力 6.3巴

圆柱形气缸RPC -R412020640/AVENTICS安沃驰尺寸选型