电 话:028-86751041-8004
联系人:王倩
手 机:15308020014
地 址: 中国 上海 嘉定区嘉涌路99弄6号713

更新时间:2022-11-18 浏览数:66
所属行业:机械设备> 阀门> 止回阀
发货地址:
产品规格:--
产品数量:1
包装说明:--
单 价:面议
德国进口AVENTICS安沃驰CC01 -0821200009单向止回阀
企业QQ:2880626084
手机;(微信)
电话:-8005
邮箱:@163.com
联系人;冯娇
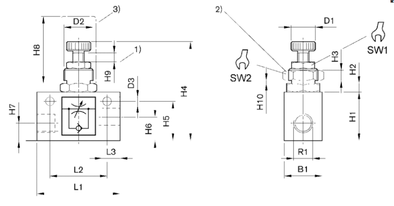
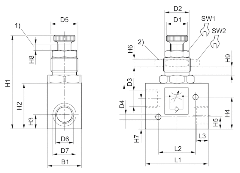
数据:
Qn 1?2 = 32 l / min节气门1的方向?2内螺纹/内螺纹
住房铝
密封材料丙烯腈丁二烯橡胶
Qn 1?232升/分钟
压缩空气连接G 1/8
压缩空气连接2G 1/8
压缩空气连接类型2内螺纹
压缩空气连接类型内螺纹
工作压力小/大 0,5 ... 10巴
环境温度小/大 0 ... 80°C
介质温度小值/大值 0 ... 80°C
中 压缩的空气
安装图片:




德国进口AVENTICS安沃驰CC01 -0821200009单向止回阀