电 话:028-86751041-8004
联系人:王倩
手 机:15308020014
地 址: 中国 上海 嘉定区嘉涌路99弄6号713

更新时间:2022-11-18 浏览数:38
所属行业:机械设备> 阀门> 执行器
发货地址:
产品规格:--
产品数量:1
包装说明:--
单 价:面议
德国REXROTH先导式方向滑阀WH系列技术文章
企业QQ:2880626087
手机:
电话: -8004
传真: -8007
邮箱: @163.com
联系人:王倩
介绍:
操作类型:(外部先导控制):液压
用于底板安装
油口安装面符合 ISO 4401
三位四通、二位四通或二位三通型号
弹簧或液压对中,弹簧端位置或液压端位置
可选型号:
- 行程设置和/或阀芯位置监控
实物图:

说明:
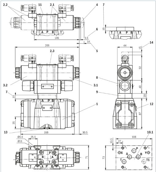
阀类型 WH 是带液压操作的方向滑阀。该阀控
和回油均在外部实现(请参阅先导油供油)。
带有控制阀芯弹簧对中的三位四通方向阀
在此型号中,主控制阀芯 (2) 通过复位弹簧 (
3.1) 和 (3.2) 保持在零位置。(6) 和 (8) 两
制流体的启动、停止和方向。方向阀的基本构
成为阀体 (1)、主控制阀芯 (2)、一个或两个
带弹簧复位和弹簧对中的复位弹簧 (3.1) 和
在加载其中一个先导压力的情况下,阀芯将移动
到切换位置。在阀门中,所需的油口将以此方式
连接。加压控制阀芯区域卸压时,相对侧上的弹
簧会将阀芯推回到零位置或初始位置。
(3.2) 以及配流阀板 (11)。主控制阀芯 (2)
直接由建压启动。主控制阀芯 (2) 通过弹簧
或建压保持在零位置或初始位置。先导油供油
个弹簧腔通过配流阀板 (11) 连接到油口 X 和
Y。主控制阀芯 (2) 的两个前侧先导压力中,
尺寸图:

分类:
样,滑阀使压力缸的活塞完成往复运动的一个周期
动作。如此不断循环,活塞便自动连续往复运动。
若使滑阀驱动轴处于中间位置,则活塞运动停止。
平面型单阀瓣滑阀的阀瓣因受到较大的压力差作用,
滑阀
根据结构和动作特点,滑阀分为往复式和回转式两类。
往复式滑阀又有平面型单阀瓣、平面型双阀瓣和柱
塞式3种。柱塞式滑阀广泛用于液压和气动装置中
在滑动面上产生的摩擦力大,动作不灵敏,易磨损。
滑阀
当活塞到达左极限位置(行程终了)时,滑阀驱动
轴被带动,使柱塞位置移至左边,切换流体的流
向,p1压力的流体便流向B通道,进入压力缸的B′
室,使活塞向右移动,A室中的流体则回流至通道
A并流向出口。当活塞到达右极限位置时,滑阀的
驱动轴又被带动,使柱塞位置回复到右边位置。这
注意:
如果使用减压阀“D3”(8),必须在先导控制阀的
通道 P 中安装节流插件“B10”。 ?
修改只能由经过的人员执行或返厂执行。 ?
必须遵循机械指令 2006/42/EC 中的条款!有关 MT
先导压力高于 250 bar(型号为 4WEH 22 …: 210 b
ar)且使用型号“H”时,必须使用减压阀 (8)。
次级压力保持在 45 bar 的恒定水平
TFd 值、冲击和振动载荷的信息,另请参阅样本 08012!
相关图样:




德国REXROTH先导式方向滑阀WH系列技术文章