电 话:021-39526589-8004
联系人:覃小敏
手 机:19117262520
地 址: 中国 上海 嘉定区嘉涌路99弄6号713

更新时间:2026-05-14 浏览数:29
所属行业:机械设备> 阀门> 执行器
发货地址:
产品规格:--
产品数量:1
包装说明:--
单 价:面议
AVENTICS紧凑型气缸R422001512安装说明
企业QQ:2880626087
手机:
电话: -8004
传真: -8007
邮箱: @163.com
联系人:王倩
产品详情:
实用原则单作用式,不受压伸出
缓冲弹性
密封件材料聚氨酯
防尘圈聚氨酯
压缩空气连接M5
压缩空气接口型号内螺纹
磁性销钉带磁性活塞
活塞直径16 mm
活塞杆螺纹M4
标准化ISO 21287
行程15 mm
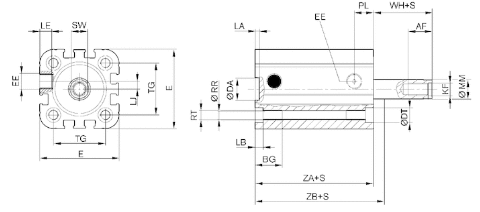
尺寸图:


技术参数:
环境温度范围 -20 ... 80 °C
防尘圈 聚氨酯
颗粒大小 max. 50 μm
活塞杆 不锈钢
前端盖板 铝材
介质温度范围 -20 ... 80 °C
介质 压缩空气
气缸管子 铝材, 阳极氧化处理
后盖 铝材
密封 聚氨酯
型号:
5226600400
5226600500
5226600600
5226600650
5226600700
5226600750
5226600800
5226601000
5226601250
5226601600
5226602000
5226610100
5226610150
5226610200
5226610250
5217030504
5217103402
5217113402
5217123402
5226612500
5226613200
5226618010
5226618020
5226620100
5226620150
5226620180
5226620200
5226620250
5226620300
5226620350
5226620400
5226620450
5226620500
5226620550
5217133402
5218535110
5218555110
5218565110
5218575120
5218585120
5220163442
5220363442
5220463442
5220563442
5226600100
5226600150
5226600200
5226600250
5226600300
5226610300
5226610350
5226610400
5226610500
5226610600
5226610650
5226610700
5226610750
5226610800
5226611000
5226611250
5226611500
5226611600
5226611750
5226612000
AVENTICS紧凑型气缸R422001512安装说明