电 话:021-39526589-8004
联系人:覃小敏
手 机:19117262520
地 址: 中国 上海 嘉定区嘉涌路99弄6号713

更新时间:2026-05-14 浏览数:106
所属行业:机械设备> 阀门> 执行器
发货地址:
产品规格:--
产品数量:1
包装说明:--
单 价:面议
日本YUKEN油研AR16系列柱塞泵结构示意图
企业QQ:2880626087
手机:
电话: -8004
传真: -8007
邮箱: @163.com
联系人:王倩
特点:
?低噪音、高效率。
?軸向、側向出入口選擇。
?節省油箱配管及空間。
实物图:

简介:
柱塞泵是液压系统的一个重要装置。它依靠柱塞在缸
体中往复运动,使密封工作容腔的容积发生变化来实
现吸油、压油。柱塞泵具有额定压力高、结构紧凑、
效率高和流量调节方便等优点,被广泛应用于高压、
大流量和流量需要调节的场合,诸如液压机、工程机
械和船舶中。
特点:
采用双柱塞结构,压力脉动小,宝石球寿命长;
采用进口宝石柱塞和宝石球,确保流量
接触介质材料耐有机溶剂腐蚀;
内建过压保护和流量校正系统 ;
通过 RS232 接口与电脑通讯,可直接由电脑进行控制 ;
大屏幕液晶显示;
型号表示:

原理:
淬火是将钢加热到临界温度Ac3(亚共析钢)或Ac1(
过共析钢)以上温度,保温一段时间,使之全部或部
分奥氏体化,然后以大于临界冷却速度的冷速快冷到
广泛的应用。机械中重要零件,尤其在汽车、飞机、
Ms以下(或Ms附近等温)进行马氏体(或贝氏体)转
变的热处理工艺。淬火工艺在现代机械制造工业得到
火箭中应用的钢件几乎都经过淬火处理。
机械维护:
采用补油泵供油的柱塞泵,使用3000h后,操作人员每
日需对柱塞泵检查1-2次,检查液压泵运转声响是否正
泵间隙是否过大。对于自吸油型柱塞泵,液压油箱内的
油液不得低于油标下限,要保持足够数量的液压油。液
常。如发现液压缸速度下降或闷车时,就应该对补油
泵解体检查,检查叶轮边沿是否有刮伤现象,内齿轮
压油的清洁度越高,液压泵的使用寿命越长。
功能:
实时显示当前压力、设定压力、设定流量 ; 实时曲线
用 ; 具有定时功能,方便设定泵的工作时间 ; 可保
存当前工作压力,便于查看 ; 可打印当前压力等重要
显示泵工作压力 可按两种方式设定流量和压力,快捷实
参数 。
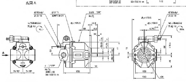
尺寸图:

日本YUKEN油研AR16系列柱塞泵结构示意图