电 话:028-86751041-8004
联系人:王倩
手 机:15308020014
地 址: 中国 上海 嘉定区嘉涌路99弄6号713
更新时间:2022-11-18 浏览数:28
所属行业:化工> 阀门> 安全阀
发货地址:
产品规格:--
产品数量:1
包装说明:--
单 价:面议
德国进口力士乐REXROTH直动式压力顺序阀R900561274
企业QQ:2880626084
手机;(微信)
电话:-8005
邮箱:@163.com
联系人;冯娇
原理:
适用于作为预加载、跟踪和切换阀应用
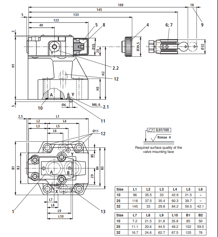
用于底板安装
孔图按 ISO 5781
作为插装阀
4 个压力等级
4 种调整类型:
? 旋钮
? 六角套筒和保护帽
? 带刻度可锁定旋钮
? 带刻度旋钮
单向阀,可选
组件系列 5X
大工作压力 315 bar
大流量 600 l/min
大工作压力 - 端口A,B,X杆315
大背压 - Y口排315

小设定压力条与流量有关,请参见第5页的特性曲线
大设定压力条50;100;200;315
大流量l / min 200 400 600
液压液见下表
液压油温度范围°C -30至+80(NBR密封件)
-20至+80(FKM封条)
- 技术阀门可能存在限制数据(温度,压力范围,使用寿命,维护间隔等)!
- 阻燃 - 含水:
?大工作压力210巴
?高液压油温度60°C
?与HLP液压油相比,预期的使用寿命30%至100%
德国进口力士乐REXROTH直动式压力顺序阀R900561274