电 话:021-39526589-8004
联系人:覃小敏
手 机:19117262520
地 址: 中国 上海 嘉定区嘉涌路99弄6号713

更新时间:2026-05-11 浏览数:44
所属行业:机械设备> 阀门> 执行器
发货地址:
产品规格:--
产品数量:1
包装说明:--
单 价:面议
德国wenglor威格勒I08H006接近开关的中文资料
企业QQ:2880626087
手机:
电话: -8004
传真: -8007
邮箱: @163.com
联系人:王倩
实物图:

描述:
独特的增强切换距离传感器,凭借坚固的结构、简单的安装方式和可
即使特殊应用也能轻松解决。由于采用 ASIC 和 wenglor weproTec
靠的测量结果令客户信服。作用范围更大,无需更多类型的传感器,
,除多只传感器能在有限空间内无故障运行外,新一代产品还能够及
时识别系统中的故障。
简介:
接近开关又称无触点接近开关,是的电子开关量传感器。当金属
检测体接近开关的感应区域,开关就能无接触,无压力、无火花、迅
和对恶劣环境的适用能力,是一般机械式行程开关所不能相比的。它
广泛地应用于机床、冶金、化工、轻纺和印刷等行业。在自动控制系
速发出电气指令,准确反应出运动机构的位置和行程,即使用于一般
的行程控制,其定位精度、操作频率、使用寿命、安装调整的方便性
统中可作为限位、计数、定位控制和自动保护环节等。
技术参数:
电流消耗(Ub = 24 V) < 9 mA
切换频率 1070 Hz
外壳材料 CuZn,镀镍
防护等级 IP67
温度偏差 < 10 %
温度范围 -40...80 °C
切换输出端压降 < 1 V
切换输出端切换电流 150 mA
装配类型 齐平
装配A/B/C/D,单位为mm 0/8/6/0
装配B1,单位为mm 0...1
切换输出端剩余电流 < 100 μA
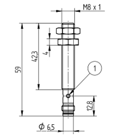
尺寸图:

型号:
I08H029
I08H030
I08H031
I08H032
I12H001
IJ008BE35VB1
IJ008BE42VB8
IL008BE25VB
IL008BE35VB1
IL008BE42VB8
I12H006
I12H007
I12H008
I12H009
I12H010
I12H011
I12H012
IM020BE27VB
IM020BE35VB8
IQ350NK70TA3
ISQ150BK00A3
I18N001
I18N002
I18N003
I18N004
I1AH001
I1AH002
I1AH003
I1AH004
I1AH009
I1BH001
I1BH002
I08H027
I08H028
IW050BM80VA3
IW070RM65MG3
IW080BM50VA3
IW080BM50VB3
IW080BM80VA3
I12H002
I12H003
I12H004
I12H005
I1BH003
I1BH004
I1BH005
I1BH006
I1BH007
I1BH008
I1CH001
I1CH002
I1CH003
I1CH004
ISQ150BK01A3
ISQ250NK00A3
ISQ250NK01A3
IW045CM65MG3
I08H019
I08H020
I08H021
I08H022
I08H023
I08H024
I08H025
I08H026
德国wenglor威格勒I08H006接近开关的中文资料