电 话:021-39526589-8004
联系人:覃小敏
手 机:19117262520
地 址: 中国 上海 嘉定区嘉涌路99弄6号713

更新时间:2022-11-18 浏览数:62
所属行业:机械设备> 阀门> 执行器
发货地址:
产品规格:--
产品数量:1
包装说明:--
单 价:面议
松下小型按压开关ESB33134的工作原理及
企业QQ:2880626087
手机:
电话: -8004
传真: -8007
邮箱: @163.com
联系人:王倩
技术参数:
使用温度范围 -40°C~+85°C
耐热性 +85°C (96小时)
端子形状 直型端子
包装形式 塑料袋 (散装)
耐寒性 -40°C (96小时)
全行程 2.3 mm
电路数、接点数 2个电路 2个接点
工作形式 非锁定
耐湿性 +40°C 90%~95% RH (96小时)
无负载寿命(用于普通设备) 10,000次 (电压降:0.2 V 以下)
实物图:

折叠概念:
开关电源是利用现代电力电子技术,控制开关管开通和关断的时间比
率,维持稳定输出电压的一种电源,开关电源一般由脉冲宽度调制(
成本在某一输出功率点上,反而高于开关电源,这一点称为成本反转
点。随着电力电子技术的发展和创新,使得开关电源技术也在不断地
PWM)控制IC和MOSFET构成。开关电源和线性电源相比,二者的
成本都随着输出功率的增加而增长,但二者增长速率各异。线性电源
创新,这一成本反转点日益向低输出电力端移动,这为开关电源提供
了广阔的发展空间。
注意事项:
在一般的工业生产场所,通常都选用涡流式接近开关和电容式接近开
低。若所测对象是非金属(或金属)、液位高度、粉状物高度、塑料
关。因为这两种接近开关对环境的要求条件较低。当被测对象是导电
物体或可以固定在一块金属物上的物体时,一般都选用涡流式接近开
定性好。安装时应考虑环境因素的影响。若被物为导磁材料或者为了
区别和它在一同运动的物体而把磁钢埋在被测物体内时,应选用霍尔
关,因为它的响应频率高、抗环境干扰性能好、应用范围广、价格较
、烟草等。则应选用电容式接近开关。这种开关的响应频率低,但稳
接近开关,它的价格低。
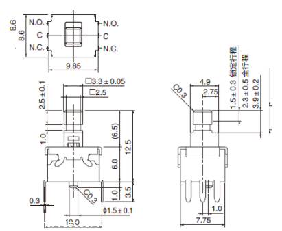
尺寸图:

松下小型按压开关ESB33134的工作原理及