电 话:028-86751041-8004
联系人:王倩
手 机:15308020014
地 址: 中国 上海 嘉定区嘉涌路99弄6号713

更新时间:2022-11-18 浏览数:43
所属行业:机械设备> 气动元件(机械、工业制品、行业设备)> 真空发生器
发货地址:
产品规格:--
产品数量:1
包装说明:--
单 价:面议
紧凑型真空发生器/安沃驰AVENTICS技术指导
企业QQ:2880626084
手机;(微信)
电话:-8005
邮箱:@163.com
联系人;冯娇
产品信息:
为了保证真空系统能达到和保持工作需要的真空,除需要配备合适的、抽气性能良好的真空泵以外,
真空系统或其零部件还必须经过严格的检漏,以便消除破坏真空的漏孔。
低(粗)真空、中真空和高真空系统一般用气压检漏 ;对于超高真空系统,
在采用一般检漏法粗检以后,还要采用灵敏度较高的检漏仪,如卤素检漏仪和质谱检漏仪来检漏
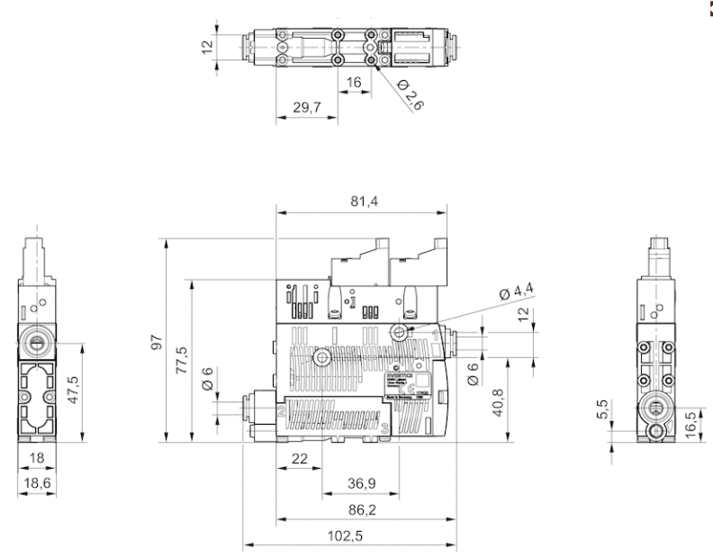
规格:
工作压力范围 2 ... 6 bar
运行压力 p.opt. 4 bar
低 / 高环境温度 0 ... 50 °C
介质温度范围 0 ... 50 °C
介质 压缩空气
颗粒大小 max. 5 μm
压缩空气中的含油量 0 ... 1 mg/m3
防护等级,配有阀连接器 IP40
根据德国工业标准DIN VDE 0580设置的开机持续时间 100 %
每次操作时的大真空度 81,5 %
工作电压DC 24 V
电压偏差 DC - 5% / +10%
功率 消耗,电磁阀 1,3 W
重量 0,275 kg

安沃驰AVENTICS紧凑型真空发生器,系列ECS
0821305209
0821305210
0821305211
0821305212
0821305213
0821305214
0821305215
0821305216
系列ECV
安沃驰AVENTICS紧凑型真空发生器,系列ECV
0821305160
0821305161
0821305164
0821305165
系列EIX
安沃驰AVENTICS真空发生器一体,系列EIX
0821305186
0821305009
0821305187
EMP系列
紧凑型真空发生器/安沃驰AVENTICS技术指导