电 话:021-39526589-8004
联系人:覃小敏
手 机:19117262520
地 址: 中国 上海 嘉定区嘉涌路99弄6号713

更新时间:2026-05-11 浏览数:38
所属行业:机械设备> 阀门> 执行器
发货地址:
产品规格:--
产品数量:1
包装说明:--
单 价:面议
德国施迈赛安全光电开关SLB440-ER-4-LST-H详解

简介:
光电开关(光电传感器:photoelectric switch)是光电接近开关的简称,
光电开关将输入电流在发射器上转换为光信号射出,接收器再根据接收
到的光线的强弱或有无对目标物体进行探测。安防系统中常见的光电开
它是利用被检测物对光束的遮挡或反射,由同步回路选通电路,从而检
测物体有无的。物体不限于金属,所有能反射光线的物体均可被检测。
关烟雾报警器,工业中经常用它来记数机械臂的运动次数。
实物图:

产品数据:
设备保护等级 3类保护
重量 240 g
光束编码(Y/N) 有
保护区高度 ?
发射器的接线 带接头电缆 M12, 4-芯
周围温度
- 低环境温度 ?30 °C
- 高环境温度 +50 °C
储存运输温度
- 小的存储和传输温度 ?30 °C
- 大存储运输温度 +70 °C
防护等级 IP67 根据IEC/EN 60529
- 接收器的接线 带接头电缆 M12, 5-芯
保护范围 300 … 75.000 mm
响应时间 7 … 22 ms
传感器的波长 880
应用领域:
除了安防系统中常见的光电开关烟雾报警器,工业中经常用它来记数机
械臂的运动次数。照明技术网是覆盖面广,信息量全的照明技术网
站,主要包括led照明,智能照明,霓虹灯,光纤照明,照明设计,灯光
设计,道路照明等。光电开关还在许多方面得到了应用,例如在行程控
制、直径限制、转速检测、气流量控制等方面。我们相信光电开关会做
得越来越,它的应用也会越来越广泛。
型号:
AZM 170-02ZRI-ST-B5-2197 24VAC/DC
AZM 170-02ZRI-ST-B6L 24VAC/DC
AZM 170-02ZRIA-B1 24VAC/DC
AZM 170-02ZRIA-B5 24VAC/DC
AZM 170-02ZRIA-B6L 24VAC/DC
AZM 170-02ZRIA-B6R 230VAC
AZM 170-02ZRIA-B6R 24VAC/DC
AZM 170-02ZRIA-ST B1 24VAC/DC
AZM 170-02ZRIA-ST-B5 24VAC/DC
AZM 170-02ZRIA-ST-B6L 24VAC/DC
AZM 170-02ZRIA-ST-B6R 24VAC/DC
AZM 170-11ZI-B6R 24VAC/DC
AZM 170-11ZRI B1 230VAC
AZM 170-11ZRI B6L-2197 24VAC/DC
AZ 17-B25-R-G1
AZ 17-B25-R-G2
AZ 17/170-B1
AZ 17/170-B1-2245
AZM 170-B6
AZM 170-02ZI B6L 24VAC/DC
AZM 170-02ZI-B5 24VAC/DC
AZM 170-02ZRI-B1 24VAC/DC
AZM 170-02ZRI-B1-2197 24VAC/DC
AZM 170-02ZRI-B5 24VAC/DC
AZM 170-02ZRI-B6L 24VAC/DC
AZM 170-02ZRI-B6L-2197 24VAC/DC
AZM 170-02ZRI-B6R 24VAC/DC
AZM 170-11ZRI-B1 24VAC/DC
AZM 170-11ZRI-B5 24VAC/DC
AZM 170-11ZRI-B6L 24VAC/DC
AZM 170-11ZRI-B6R 24VAC/DC
AZ 17/170-B11
AZ 17/170-B15
AZ 17/170-B5
AZM 170-B25-L-G0
AZM 170-B25-L-G1
AZM 170-B25-L-G2
AZM 170-B25-R-G1
AZM 170-B25-R-G2
AZM 170-11ZRI-ST B5-2197 24VAC/DC
AZM 170-11ZRI-ST-B6L-2197 24VAC/DC
AZM 170-11ZRIA B5 24VAC/DC
AZM 170-11ZRIA-B1 24VAC/DC
AZM 170-11ZRIA-ST-B6R 24VAC/DC
AZM190-02/01RK-G-24VDC
AZM190-02/01RKA-24VDC
AZM190-02/01RKN-24VDC
AZM190-02/01RKN-G-24VDC
AZM190-02/02RK-24VDC
AZM190-02/02RKAE0-24VDC
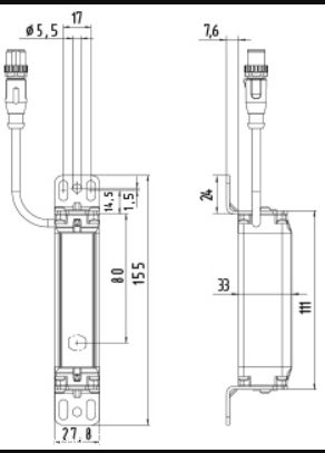
尺寸图:

AZM190-02/02RKN-24VDC
AZM190-02/10RK-110VAC
AZM190-02/10RK-230VAC
AZM190-02/10RK-24VAC
AZM190-02/10RK-24VDC
AZM190-02/10RK-48VAC
AZM190-02/10RK-G-24VDC
AZM190-02/10RKA-230VAC
AZM 170SK-02/10ZRI B6L-2197 24VAC/DC
AZM 170SK-02/10ZRI B6R-2197 24VAC/DC
AZM 170SK-02ZRIA-B6R 24VAC/DC
AZM 170SK-11/02ZRIA-B1 24VAC/DC
AZM 170SK-11/02ZRIA-B6R 24VAC/DC
AZM 170SK-11/11ZRI-B1-2197 24VAC/DC
A-K4P-M12-S-G-5M-BK-1-X-A-1
A-K4P-M12-S-G-5M-BK-2-X-B-1
A-K8P-M12-S-G-10M-BK-2-X-A-4-69
A-K8P-M12-S-G-2,5M-BK-2-X-A-4-69
A-K8P-M12-S-G-5M-BK-2-X-A-4-69
AZM 170-B ZENTRIERHILFE
DREIKANTSCHLUESSEL TK-M5
MONTAGESATZ MS AZM 170 P
MONTAGESATZ MS AZM 170 R/P
AZM190-02/01RK-110VAC
AZM190-02/01RK-230VAC
AZM190-02/01RK-24VDC
德国施迈赛安全光电开关SLB440-ER-4-LST-H详解