电 话:021-39526589-8004
联系人:覃小敏
手 机:19117262520
地 址: 中国 上海 嘉定区嘉涌路99弄6号713

更新时间:2026-05-06 浏览数:54
所属行业:仪器仪表> 其他仪器仪表分类
发货地址:-
产品规格:--
产品数量:1
包装说明:--
单 价:面议
详细说明,德国Herion先导电磁控制滑阀
技术参数:
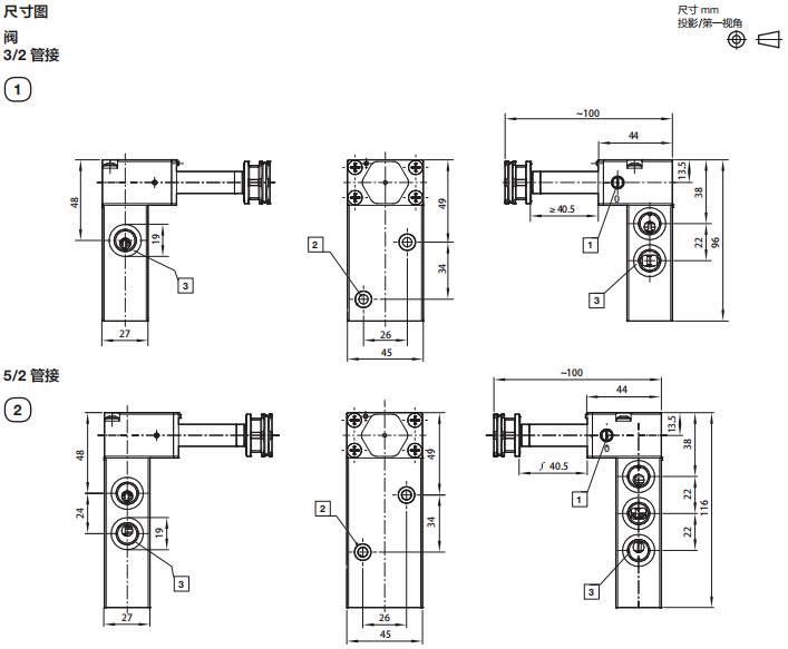
接口尺寸: 1/4“
(ISO G/NPT) 或者
NAMUR 连接
适用于露天及严苛环境
(见线圈列表)
多种线圈组合
可用于防爆应用 Ex emb,
Ex d mb, Ex mb, 区域
1 & 2 (气体), 21 & 22
(粉尘), ATEX 类别 II 2GD
国际认证ATEX, IECEx,
NEPSI, 其它可根据要求提供

技术参数
介质:经过滤的,润滑或非润滑干燥的压缩空气
工作方式:先导电磁控制滑阀
工作压力:2,5 ... 8 bar (36 ... 116 psi) 内部供气
通径:DN 6 mm (1/4”)
接口尺寸:G1/4, 1/4 NPT 或 NAMUR 连接
流向:固定
安装位置:任意,脉冲阀建议水平安装
环境/流体温度:-40 ... +60°C (-40 ... +140°F)
取决于电磁线圈。
在+2°C以下使用时要保证供气干燥
以防结冰。在露天安装必须防止所
有连接部分被水汽侵入,且线圈必
须使用IP65等级保护。
阀体:阳极氧化铝
密封件: NBR (特殊丁腈橡胶)
流量换算:Cv US Gallon/min (水) =
l/min (气体) x 0,001
Kv m3/h (水) =
l/min (气体) x 0,000906

详细说明,德国Herion先导电磁控制滑阀