电 话:021-39526589-8004
联系人:覃小敏
手 机:19117262520
地 址: 中国 上海 嘉定区嘉涌路99弄6号713

更新时间:2026-05-06 浏览数:126
所属行业:数码电脑> 无线网络设备> 功率放大器
发货地址:
产品规格:--
产品数量:1
包装说明:--
单 价:面议
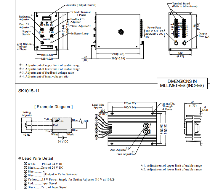
比例功率放大器/油研YUKEN选用方法,AMN-D-20T

特点:
10Ω比例線圈用的小型功率放大器,供給電源DC24V.採用新迴路方式設計,低發熱功率放大器。
设定调节器将指令信号电压提供给电源放大器。
由于设定调节器与实际机器密切相关
操作程序,用户一般提供此设备。
Yuken制造以下标准设定调节器以供一般使用和设计和制造特殊设定调整器
功率放大器说明
功率放大器应远离炎热和潮湿的环境,这可能会使某些部件恶化
功率放大器。 它们也应安装在干净且干燥的地方,在那里振动小。
请避免将功率放大器安装在整个机箱中,或者将它们完全封闭,因为它们需要辐射
内部半导体或IC的热量。
请使用屏蔽线进行输入信号传输,以防止放大器受到噪声等干扰 外。


比例功率放大器/油研YUKEN选用方法,AMN-D-20T