电 话:021-39526589-8004
联系人:覃小敏
手 机:19117262520
地 址: 中国 上海 嘉定区嘉涌路99弄6号713

更新时间:2026-05-06 浏览数:54
所属行业:机械设备> 阀门> 单向阀
发货地址:
产品规格:--
产品数量:1
包装说明:--
单 价:面议
供应油研YUKEN液控单向阀CPT/CPDT/CPG/CPDG-03,

特点:
本液控單向閥在入口壓力超過額定的開啟壓力時,允許油流從入口自由地流到出口,
而截止油流的反向流動。但利用外控先導壓力操作時,可以反向流動。
的粘度和油温
2粘度范围在15 - 400 mm / s(77 - 1800 SSU)之间。
油温在-15 / + 70°C(5 - 158°F)之间。
使用满足上述建议粘度和油温的液压油。
流体类型
可以使用下表中列出的任何类型的液压油。
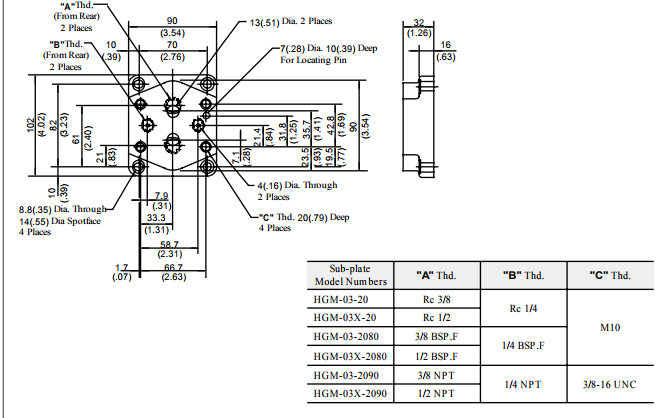
副板
控制污染
必须小心谨慎,以保持对液压油污染的控制,否则可能会对液压油的污染进行控制
导致故障并缩短阀门的使用寿命。 请保持NAS内的污染程度
1638级12.使用25μm或更细的线路滤波器


供应油研YUKEN液控单向阀CPT/CPDT/CPG/CPDG-03,