电 话:021-39526589-8004
联系人:覃小敏
手 机:19117262520
地 址: 中国 上海 嘉定区嘉涌路99弄6号713

更新时间:2026-05-06 浏览数:63
所属行业:仪器仪表> 阀门> 换向阀
发货地址:
产品规格:--
产品数量:1
包装说明:--
单 价:面议
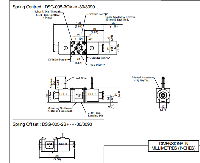
DSG-005系列电磁换向阀/油研YUKEN材质说明

特征:
这些DSG-005系列电磁换向阀是产品新开发的“迷你系列”。
与DSG-01系列相比,
阀门制造更紧凑,但大限度地享受
工作压力为25 MPa(3630 PSI),大流量为10升/分钟(2.6美元GPM),同时进一步节省空间
需求。 此外,使用湿式电枢螺线管,阀门确保长寿。
务必在下列规定的条件下使用液压油:
2粘度:20-200 mm / s(100-930 SSU),温度:-15至+ 60°C(5至140°F)。
的粘度和油温
必须小心谨慎,以保持对可能导致液压流体污染的控制
打破和缩短阀门的寿命。请保持NAS 1638级内的污染程度
11.使用20μm或更细的线路滤波器。
控制污染
螺线管
说明
由于电磁阀没有浪涌吸收器,请付费
小心注意浪涌电压。
安装姿势
对于任何型号,都没有限制
安装姿势。
电磁阀通电

为一个电磁阀通电时,务必断电
另一个螺线管事先。
坦克港
不要将油箱端口连接到任何有油管的管道
它的压力很大。务必保持坦克线的尽头
管道低于油位。由于螺线管是湿式的
结构,有必要在这种条件下制作管道
阀门内部始终充满液体。
手动覆盖推针的操作力
请注意,作为坦克线的背压
上升,手动超控推针转动难以操作。
DSG-005系列电磁换向阀/油研YUKEN材质说明