电 话:021-39526589-8004
联系人:覃小敏
手 机:19117262520
地 址: 中国 上海 嘉定区嘉涌路99弄6号713

更新时间:2024-12-16 浏览数:50
所属行业:机械设备> 阀门> 执行器
发货地址:
产品规格:--
产品数量:1
包装说明:--
单 价:面议
喜开理CKD气缸SSD2-DL-12-5-T0H-R详解

解决措施:
是不紧结合面的螺栓,用千斤顶微微推动上缸前后移动,根据下缸结
配方也各不相同,产品质量参差不齐;在选择汽轮机汽缸密封剂时,
合面红丹的着色况来研刮。这种方法适合结构刚性强的高压缸。
是紧结合面的螺栓,根据塞尺的检查结合面的严密性,测出数值及压
用适当的汽缸密封材料
因汽轮机汽缸密封剂还没有统一的国家标准和行业标准,制作原料和
出的痕迹,修刮结合面,这种方法可以排除汽缸垂弧对间隙的影响采
就要选在行业内有口碑,产品质量有保证的正规生产,以保证检
修处理后汽缸的严密性。
实物图:

简介:
日本CKD是日本CKD株式会社投资的气动公司,主要制造气源处理三
大件、气缸、电磁阀等自动化产品。CKD主要生产的产品有自动化机
动换向阀,气缸以及其他附件);流体控制系统(多介质电磁阀,气控阀
,马达阀,分析仪器专用阀,切削液控制专用阀,高真空专用阀,煤
械(灯管制造,CCFL,LED制造设备,药品泡壳包装设备,二次电池卷
绕机,三维焊锡印刷基板检查仪);气动控制系统(FRL气源处理件,气
气天然气LPG专用阀,高纯化学液体阀,工艺气体阀)以及省力系统
(DD-MOTOR,间隙式转台)。
型号:
SSD-L-63-50-TOspan-D-N
STG-B-25-20-TOspan-D
STG-B-40-150-TOspan-D
STG-M-50-25-TOspan-D
STG-B-32-50-TOspan-D
ADK11-15A-02E-DC24V
ADK11-15A-02C-AC220V
4F310E-08-TP-X-AC220V
CMK2-CA-40-75
CVS2-20A-05-02G-3
CVSE2-20A-05-02G-3
SCA2-G-LB-63B-350
SSD2-ML-16-10
SSD2-DL-12-5-TOH-R-W1
4KB210-08-D2-DC24V
SCA2-LB-50B-150-TOspan-D
SSD-L-16-25-T0H-D-N
CMK2-P-LS-25-100-25-T0H-D
CMK2-CC-25-100-T0H-D
CMK2-CC-25-75-T0H-D
CMK2-P-TB-20-130-25-T0H-D-B2
FH1-16-0-T2V-D-B
MN3S010-C6-T30-4-3
VSG-E07F-66-3-NA
M4KB220-08-3-B-DC24V
4KB220-08-B-DC24V
AG33-02-2-02E-DC24V
SCA2-FA-80R-200/Z
SCA2-LB-63R-250/Z
SCA2-TC-63B-500-I/Z
CMK2-TA-40-60-J/Z
CMK2-00-40-65
SCA2-CA-40B-200-T0H-D/Z
SCA2-CA-63B-25-T0H-D/Z
SCA2-CA-63B-40-T0H-D/Z
SCS2-LN-CA-125B-50-T0H-D/Z
SCG-FA-50B-650-T0span-T/Z
SSD-L-16-25-N
STR2-M-10-10
SSD-L-20-15-TOH-R-N
MRL2-10-145
SMD2-L-DA-10-25-KOH-R
SMD2-L-DB-10-5-KOV-R
SMD2-DA-10-10
SCPD2-CB-10-45-1B1
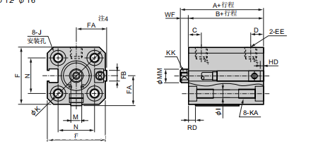
尺寸图:


SSD-L-25-20-TOH-R-N
SSD-L-25-10-TOH-D-N
SCA2-CA-40B-50-T8H-R-J/Z
SCA2-FC-40B-300-T8H5-H-J
SCA2-CB-63B-400-T0span-D-JY/Z
SCA2-LB-40B-850-T0span-D-J/Z
CMK2-C-LB-40-365
CAC4-B-63-100
SCA2-00-50B-70/Z
SCA2-00-50B-100-Y/Z
SCA2-Q2-TC-50B-300-H
4KB230-08-B-DC24V/Z
ER170-008
SCA2-CA-50B-100-Y
SCA2-CA-80B-120
SCA2-CA-50B-40-Y
SCA2-CA-80B-40-YB2
FCD-L-40-30-M0V-D
SSD-63-25-N
SSD-DL-50-20-TOH-R-N
SSD-KL-25-5
喜开理CKD气缸SSD2-DL-12-5-T0H-R详解