电 话:028-86751041-8004
联系人:王倩
手 机:15308020014
地 址: 中国 上海 嘉定区嘉涌路99弄6号713

更新时间:2022-11-18 浏览数:46
所属行业:仪器仪表> 其他仪器仪表分类
发货地址:
产品规格:--
产品数量:1
包装说明:--
单 价:面议
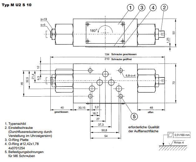
德国HERION双油门止回阀,选型资料
技术参数:
输入节流阀
安装型法兰
线路连接中间连接
安装位置随意
操作手动调整
质量双节流止回阀[kg] 1,45和3,3
环境温度范围θu[°C] -20至+50
标称尺寸NG 6和10
液压特性
工作压力范围pe [bar]高达350
压力介质温度θmmax。 [°C] +70
粘度范围ν[mm2 / s] 12至500
流量Q [l / min]参见Vp-Q特性
根据ISO 4406:18/15过滤油清洁度等级
手术
在主轴上调节流速。
附件
这些装置位于方向阀和
连接板用螺钉连接和
密封O型圈。
线路连接

连接板,孔型符合DIN 24 340和
ISO 4401,中间连接。
结构
两个节流阀止回阀彼此对称
安排(在工作连接A和B)
并节流每个液体流
方向。在相反的方向
通过止回阀有自由流动。
轴向可调节流节活塞中的三角形凹口
形成与壳体中的环形通道边缘,节流区域。
这个节流阀可以适当
入口和出口的安装可以使用返回节流。
通过转动装置NG6
关于纵轴和装置横轴周围的NG10是入口或实现了回流节流。
?由于无管连接,安装简便
?节省空间的设计
?轻松控制扩展

德国HERION双油门止回阀,选型资料