电 话:028-86751041-8004
联系人:王倩
手 机:15308020014
地 址: 中国 上海 嘉定区嘉涌路99弄6号713

更新时间:2022-11-18 浏览数:46
所属行业:电子> 集成电路/IC> 放大器
发货地址:
产品规格:--
产品数量:1
包装说明:--
单 价:面议
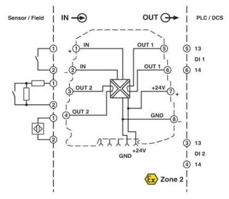
向你介绍菲尼克斯开关放大器MINI MCR-SL-NAM-2RNO-SP

可组态NAMUR开关放大器,可用于接近开关、浮地开关触点和带阻性回路的开关触点。 输出侧2个 N/O触点,带弹簧接线
浮地触点和带阻抗回路的触点可连接
底部桥接供电(TBUS)
高度紧凑型隔离放大器用于接近传感器信号的电气隔离,放大和复制
用于符合IEC 60947-5-6和EN 50227的接近传感器
通过诊断LED和模拟量信号显示错误信号
第二个信号输出也可作为重复或故障信号输出使用
N/O触点作为输出
输入和输出信号可用DIP开关进行组态
3端隔离
工作电流/闭合电路电流切换(反向切换动作)

技术规格:
电气隔离
强化绝缘符合IEC 61010-1
电涌电压类别 II
污染等级 2
额定绝缘电压
150 V AC (输入/继电器输出(强化绝缘))
测试电压,输入/输出/电源 1.5 kV (50Hz,1min)
电磁兼容性 符合电磁兼容指令
发射干扰 EN 61000-6-4
抗噪音
EN 61000-6-2 受到干扰时,那有可能是小的偏差。
颜色 绿色
外壳材料 PBT
安装位置 任意
符合性
符合 CE 标准 ATEX
? II 3 G Ex nA nC IIC T4 Gc X
UL,美国/加拿大
UL 508认证
Class I, Div. 2, Groups A, B, C, D T4
分级证书 DNV GL TAA00000N1
向你介绍菲尼克斯开关放大器MINI MCR-SL-NAM-2RNO-SP