电 话:028-86751041-8004
联系人:王倩
手 机:15308020014
地 址: 中国 上海 嘉定区嘉涌路99弄6号713

更新时间:2022-11-18 浏览数:17
所属行业:机械设备> 气动元件(机械、工业制品、行业设备)> 气缸
发货地址:
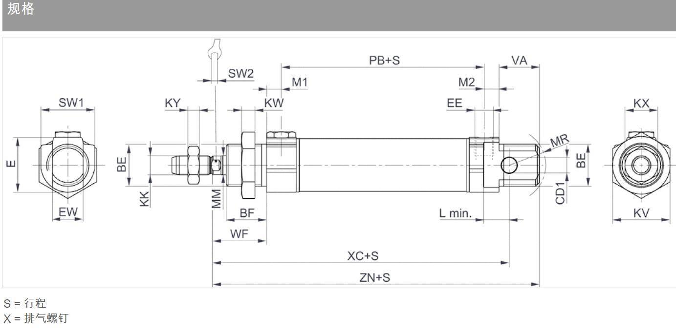
产品规格:--
产品数量:1
包装说明:--
单 价:面议
安沃驰微型气缸基本资料0822433201
标准 ISO 6432
压缩空气连接 内螺纹
工作压力范围 1 ... 10 bar
较低 / 较高环境温度 -25 ... 80 °C
介质温度范围 -25 ... 80 °C
介质 压缩空气
颗粒大小 max. 50 μm
压缩空气中的含油量 0 ... 5 mg/m3
确定活塞推力的压力 6.3 bar
- ? 10-25 mm
- 接口 M5, G 1/8
- 单作用式,不受压缩回
- 缓冲 弹性
- 防腐蚀
- 集成式钩形安装件
- 活塞杆 外螺纹
技术信息
压力露点必须至少低于环境和介质温度 15 °C ,并且允许 的较高温度为 3 °C 。
压缩空气的油含量必须在整个使用寿命中保持不变。
只可使用经过 AVENTICS 公司许可的油。详细信息请参见文档“技术信息”(MediaCentre 中获取)。
材料
气缸管子不锈钢
活塞杆不锈钢
活塞黄铜, 铝材
前端盖板铝材, 阳极氧化处理
后盖铝材, 阳极氧化处理
密封丙烯树胶, 聚氨酯
锁紧环螺母钢, 镀锌
用于活塞杆的特殊螺母钢, 镀锌
防尘圈聚氨酯
安沃驰微型气缸基本资料0822433201