电 话:028-86751041-8004
联系人:王倩
手 机:15308020014
地 址: 中国 上海 嘉定区嘉涌路99弄6号713

更新时间:2022-11-18 浏览数:36
所属行业:机械设备> 气动元件(机械、工业制品、行业设备)> 其他气动元件
发货地址:
产品规格:--
产品数量:1
包装说明:--
单 价:面议
来电询价REXROTH电液泵

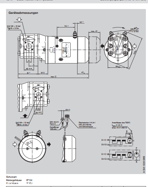
外形尺寸图及安装展示图片


本产品对应资料
适用于车辆和物料搬运系统的驱动装置
带电动机的定量泵
泵尺寸 1.0 … 22
间歇压力达 280 bar
公称电压 12 … 110 V
产品特点
特点
由于分级模块化原理是电动机
可根据电源要求和泵组合使用
确保:
- 效率高
- 低噪音
- 高操作压力
- 紧凑的尺寸
- 寿命长
- 始终如一的品质
应用领域
作为驱动器组,它们主要用于
用于提升和转向功能的车辆。
技术数据
通常
垂直安装位置,液压泵下方;水平如尺寸图所示。
冷凝水开口如果存在于下方
环境温度范围为-25°C至+ 60°C
安装式马鞍紧固带
泵
输入外齿轮泵
输入AZPB ... AZPF ... AZPJ ... AZPS ...
交货量cm3 / U 1.0 - 7.1 4.0 - 22.5 12.0 - 22.5 4.0 - 22.5
吸入连接中的压力
现金
分钟0.7zui大3()
zui大。连续压力p1 **)200 - 250 220 - 250
zui大。间歇性p2 **)230 - 280 210 - 280 280 250 - 280
zui大。压力峰值p3 **)250 - 300 230 - 300 300 290 - 300
电缆连接AZPB / F / S:螺纹,法兰,其他应要求提供
压力介质 - 根据DIN 51524,1-3的矿物油,但至少在较高负荷下
HLP根据DIN 51524第2部分。
- 注意RD 90220
- 咨询后可能有其他媒体
粘度12 ... 800 mm2 / s允许范围
范围为20 ... 100 mm2 / s
起始允许范围为20 ... 2000 mm2 / s
压力介质温度-25 ... + 80°C
过滤*)根据ISO 4406(1999),zui低清洁度等级21/18/15
电动机
带复合或串联绕组的直流电机
帧大小(代码)I K L P S T.
杆壳??110。 , , <120 120。 , , <130 130。 , , <140 150。 , , <160 160。 , , <170 170。 , , <180
电压电压12,24,40,48,72,80参见程序概述
功率kW 1,5 ... 8,1,其他功率尺寸可根据要求提供
保护程度见程序概述
图表它们在以下条件下有效:
环境温度+ 20°C
电解液温度+ 20°C
发动机温度+ 20°C
油温+ 50°C
粘度ν= 32 mm2 / s
S2,S3见VDE 0530
继电器(不包括在每个版本中)
电压12V 24V
激励电流1.5 A 0.9 A.
S3 = 12%350 A时的接触电流
接触电流连续150 A.
防护等级IP54 / IP6K9K / IP66可根据要求提供
**)对于具有功能性,严重故障影响的液压系统和设备,例如: B.转向阀,
制动阀,选定的过滤必须适应这些设备的灵敏度。
必须遵守整个系统的适用安全要求。
来电询价REXROTH电液泵