电 话:021-39526589-8004
联系人:覃小敏
手 机:19117262520
地 址: 中国 上海 嘉定区嘉涌路99弄6号713

更新时间:2024-12-16 浏览数:41
所属行业:机械设备> 阀门> 执行器
发货地址:
产品规格:--
产品数量:1
包装说明:--
单 价:面议
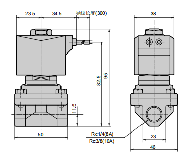
喜开理CKD电磁阀APK11-8A-03A-AC220V功能

操作步骤:
按关闭的方向继续转动手轮,这时阀杆不会再发生移
动,而是阀盖以上部分整体相对阀体分离,此环节操
间不会影响现场施工处理,就可将所有螺栓上的螺母
完全拧下,取下阀盖以上部分及阀杆,将阀座中的阀
作是观察阀芯与阀座两密封面间的密封是否封住,如
果封闭不严密,有介质外漏,只要量不大,在较短时
芯顶端暴露出来,查看阀杆与阀芯原先的连接方式,
以及失效原因,制定解决措施。
安装方法:
用户在使用电磁阀的过程中,首先要注意检查电磁阀
的金属粉末、残留密封材料、锈垢等完全清除。注意
的型号参数是否满足要求。具体例如电源电压、介质
额定电压电压波动范围:交流10%~-15%,直流
10%~-10%,平时线圈组件不宜拆开。
安装电磁阀的时候,要注意电磁阀圈部件的方向应该
压力、压差等,其中以电源为重要。电源电压应满足
竖直,否则容易造成电磁阀的工作不正常或者工作效
率严重下降等问题。
接管之前用0.3Mpa的压力对管道充分冲洗,把管道中
介质的洁净度,如果介质内混有的尘垢等杂质妨碍电
磁阀的正常工作,管道中应装过滤器。

检修:
CKD电磁阀的电气部分安装应根据有关电气设备施工
维修中,在易爆场所严禁通电开盖维修和对隔爆面进
要求进行。如现场导线采用SBH型或其它六芯或八芯
、外径为Φ11.3mm左右的胶皮安装电缆线。在使用
行撬打。同时在拆装中不要磕伤或划伤隔爆面,检修
后要还原成原来的隔爆要求状态。
型号:
VLA-40-AC100V
AP21-50A-02E-AC110V
HVB612-B-COIL-AC100V
4F410-08-M3LP-AC200V
4GE119-00-E2C-3
AB31-02-1-B2E-DC24V/Z
AG41-02-1-B2E-DC24V/Z
STS-B-12-10
4GA219-C6-3
4KA410-10-DC24V
APK11-15A-C4A-AC100V
SCA2-FA-80B-200/Z
S1-B1-80/Z
CMK2-C-00-32-200/Z
SCA2-G-TC-50B-600-T0H5-D/Z
SCA2-CA-63B-100/Z
CMK2-00-40-25/Z
AB41-03-5-AC220V/Z
AB42-03-7-02E-DC24V/Z
SCA2-LB-63B-450/Z
SCA2-FA-80B-150-T0H5-D/Z
F-1506-20-W
F-1508-20-W

S1-B2-80/Z
AG44-02-4-02E-DC24V/Z
AB41-02-5-02HA-DC24V
AD11-10A-H6H-DC24V
AD11-8A-03AB-DC24V
S1-I-80/Z
AB31-02-3-F2E-AC220V/Z
4KA210-06-L-AC110V/Z
AB31-02-1-AC220V/Z
4F310-COIL-AC220V/Z
AP11-15A-B3A-DC24V
喜开理CKD电磁阀APK11-8A-03A-AC220V功能