电 话:021-39526589-8004
联系人:覃小敏
手 机:19117262520
地 址: 中国 上海 嘉定区嘉涌路99弄6号713

更新时间:2026-03-11 浏览数:60
所属行业:机械设备> 气动元件(机械、工业制品、行业设备)> 其他气动元件
发货地址:
产品规格:--
产品数量:1
包装说明:--
单 价:面议
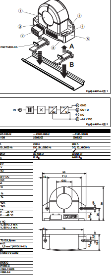
PHOENIX通用变送器:2308302示意图

产品资料
可在DIN导轨和安装板上进行安装
尺寸紧凑,同样适合分布式应用
COMBICON插拔式连接器使接线十分简单
3端隔离
通用电流测量,无需分路
通用变送器 - MCR-SL-CUC-300-U - 2308302
通用电流变送器,用于测量直流,交流和畸变电流,0 ... 300 A 输入电流,0 ... 10 V 输出
数据表
尺寸
| 宽度 | 90 mm |
|---|---|
| 高度 | 33.8 mm |
| 深度 | 85 mm |
环境条件
| 环境温度(运行) | -40 °C ... 65 °C |
|---|---|
| 环境温度(存放/运输) | -40 °C ... 85 °C |
| 保护等级 | IP20 |
输入数据
| 输入电流范围 | 0 A ... 300 A |
|---|---|
| 过载量 | 3.33 x IIN |
| 频率测量范围 | 20 Hz ... 6000 Hz (0 Hz) |
| 连接方式 | 电缆设计:32 mm直径 |
输出数据
| 输出名称 | 电源输出 |
|---|---|
| 电压输出信号 | 0 V ... 10 V |
| 负载/输出负载电压输出 | ≥ 10 kΩ |
开关输出
| 输出名称 | 无开关输出 |
|---|
电源
| 额定供电电压 | 24 V DC |
|---|---|
| 电源电压范围 | 20 V DC ... 30 V DC |
| 电流耗量 | 30 mA |
连接数据
| 连接方式 | 直插式连接 |
|---|---|
| 剥线长度 | 10 mm |
| 硬导线横截面 | 0.25 mm2 ... 2.5 mm2 |
| 柔性导线横截面 | 0.2 mm2 ... 2.5 mm2 |
| 可连接导向横截面 AWG | 24 ... 12 |
概述
| 传输误差 | <± 1 % (终值的) |
|---|---|
| 温度系数,典型值 | 0.02 %/K (0 ... 60 °C) |
| 0.04 %/K (-40 °C ... 65 °C) | |
| 线性误差 | <± 1 % (自范围终止值) |
| 阶跃响应(10-90%) | 150 ms |
| 过电压等级 | III |
| 污染等级 | 2 |
| 额定绝缘电压 | 300 V AC |
| 颜色 | 绿色 |
| 外壳材料 | Frianyl B63 V0 GV30 |
| 符合性 | 符合 CE 标准 |
| UL,美国/加拿大 | UL/C-UL,UL 508 |
产品图
|
尺寸图
|
电路图
| |
|
|
安装尺寸图

PHOENIX通用变送器:2308302示意图