电 话:028-86751041-8004
联系人:王倩
手 机:15308020014
地 址: 中国 上海 嘉定区嘉涌路99弄6号713

更新时间:2024-11-19 浏览数:41
所属行业:机械设备> 气动元件(机械、工业制品、行业设备)> 其他气动元件
发货地址:
产品规格:--
产品数量:1
包装说明:--
单 价:面议
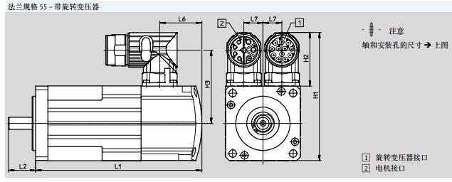
采购德国FESTO伺服马达,带变速箱
EMMS-AS-55-M-LS-TSB

货运日期 查看
环境温度 -10 ... 40 °C
储藏温度 -20 ... 60 °C
相对空气湿度 0 - 90 %
符合标准 IEC 60034
绝缘防护等级 F
额定等级符合 EN 60034-1 S1
温度监控 PTC 电阻
防护等级 IP54
电接头系统 插头
材料备注 符合 RoHS
耐腐蚀等级 CRC 2 – 中等腐蚀影响
RCM Mark
c UL us - Recognized (OL)
CE 符号 (参见符合的标准) 根据 EU-EMV 指导原则
马达恒定 0.558 Nm/A
电压系数, 相位到相位 34.73 mVmin
相-相绕组电阻 14.7 Ohm
相-相绕组电感 13.8 mH
断电时总的转动惯量 0.245 kgcm2
产品重量 1,700 g
许用的轴向驱动轴负载 75 N
根据 EU low 电压 指导原则
额定电压 DC 360 V
绕组开关的类型 内部星形
极点对数 4
停转扭矩 0.98 Nm
额定转矩 0.68 Nm
转矩 2.7 Nm
额定摆动速度 6,600 1/min
高速度 7,330 1/min
额定马达功率 461 W
额定电机电流 1.19 A
峰值电流 5 A
机械手位置编码器的触发器 18 Bit
刹车保持扭矩 0.8 Nm
制动装置的DC工作电压 24 V
制动装置的功耗 10 W
刹车的重力惯性力矩 0.022 kgcm2
开关循环, 保持刹车 1千万次闲置驱动 (无摩擦效应!)
MTTF, 子元件 76年, 旋转位置编码器
11416年, 保持刹车
MTTFd, 子元件 152年, 旋转位置编码器
许用的径向轴负载 150 N
转子位置传感器 值单圈编码器
旋转位置编码器接口 EnDat 22
旋转位置编码器测量原理 电感式


采购德国FESTO伺服马达,带变速箱