电 话:021-39526589-8004
联系人:覃小敏
手 机:19117262520
地 址: 中国 上海 嘉定区嘉涌路99弄6号713

更新时间:2024-12-18 浏览数:34
所属行业:机械设备> 阀门> 电磁阀
发货地址:
产品规格:--
产品数量:1
包装说明:--
单 价:面议
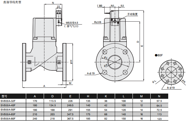
简要分析CKD电磁阀SVB1A-40F-02HS DC24V

性能要求:
控制要求:使锅炉给水泵安全启动及停止运行,
消除因流量过小、温升增加、水强烈气蚀使泵损
过加入蒸汽提高水温消除溶解在水中的气体。工
况情况:启动阶段流量较小,压差大温度,正常
坏。老式电站有使用开关型的zui小流量控制阀,
zui大的阀门,流量为正常流量的30%。CKD电磁
阀控制要求:提供流量保持除氧器正常水位,通
同时还有使用机械式的泵自动循环阀。 工况情况
:压降达160-350公斤,是电站系统中承受压差
情况流量大,压差小,工况类似给水阀。阀门要
求:较低流量时有效抗气蚀。
AD11-15A-03A-AC220V
AD11-15A-03AA-DC24V
AD11-20A-H3NA-DC24V
AD11-20A-L4HA-AC220V
PVS-32A-210-AC220V
CMK2-CC-40-175-B2

APK21-32F-C4A-AC220V
FAG41-10-8-12GB-3
FJ-0-12
GAB412-7-0-02E-DC24V
L4000-15-W
M3000-8-W-FISX1
PV5G-6-FG-D-3
PV5G-8-FG-S-1-N
RRC-32-90-A
SC1-15
SCA2-00-50B-100
概述:
日本CKD电磁阀阀门结构。虽然阀门结构与产生
闪蒸无关,但是却能抑制闪蒸的破坏。采用介质由
的破坏力。汽蚀如同砂子喷在零件表面一样,将零
件表层撕裂,形成粗糙的渣孔般的外表面。在高压
上至下方向流动的角形阀结构比用球形阀体更能
中的介质直接流向阀体内部下游管道的中心,而不
象球形阀一样直接冲击体壁,所以大大减弱了闪蒸
防止闪蒸破坏。闪蒸破坏是高速度的饱和气泡冲
击阀体表面,并腐蚀阀体表面造成的。由于角形阀
差恶劣条件下,极硬的阀瓣和阀座也会在很短时间
内遭到破坏,发生泄漏,影响阀门的使用性能。
型号:
AD11-10A-03AA-DC24V
AD11-10A-03A-DC24V
SCA2-CB-63B-50-J
SCA2-CB-80B-350-T0H-D-B3
SCG-00-40B-125
SMD2-L-DA-10-15
SCG-TA-40D-150-M
7080-4-F
RRC-63-90-S3-D-A
4F520-15-DC24V
4GB410-10-E20-3
SRL3-00-16B-200
SSD2-KL-16-50

CMK2-C-00-25-255-V
EVD-3500-008SN-C1B3-3
SCA2-TC-63B-150/Z
SCA2-T-OO-63B-1450
STS-B-12-25
STS-B-8-20
4F210-08-L-DC24V
4F220-08-AC220V
4F310-10-AC220V
4F320-10-B-DC24V
4F410E-10-TP-AC220V
4F520-15-AC220V
4F610-20-L-DC24V
4F630-20-L-DC24V
4F730-25-AC220V
4GD319-C8-E2C DC24V
4F110-06-E-AC220V
4KB230-08-C2K AC100V
AB31-02-3 AC220V
AB31-02-6-02H-DC24V
AB41-02-2-02E-DC24V
AB41-02-4-AC110V
M4GB410-15-E20-2-3
4GB410-15-E20-3
MKML-2B-A-2-0
M4KB210-08-4-SUB-BASE-KIT
VSB-E12-66
W4000-10-F
4F520-15-L-AC220V
4F710-25-K-AC100V
4F730-25-AC220V
4KA210-06-B-AC220V/Z
4KB119-00-M1C2-DC24V
4KB129-00-M1C2-DC24V
CMK2-00-32-25
CMK2-CA-40-30
LCR-8-20-F2H3-D-S5DT
PV5G-6-FG-D-3
PV5G-6-FG-S-1-N
4GE219-00-C-3
4GE229-00-C-3
AB41-03-5-02EB-AC220V
ADK11-10A-03A-DC24V
4KB219-00-C2-AC220V
4KB319-00-LS-AC220V
4F310E-10-TP-X-DC24V
AD11-25A-02E-DC24V
AD11-25A-02E-DC24V/Z
AD11-8A-03A-AC100V
AD12-25A-L3A-AC220V
简要分析CKD电磁阀SVB1A-40F-02HS DC24V