电 话:021-39526589-8004
联系人:覃小敏
手 机:19117262520
地 址: 中国 上海 嘉定区嘉涌路99弄6号713

更新时间:2024-11-20 浏览数:46
所属行业:机械设备> 气动元件(机械、工业制品、行业设备)> 其他气动元件
发货地址:
产品规格:--
产品数量:1
包装说明:--
单 价:面议
SICK多光束安全光电传感器(接收器,发射器)
产品型号
M20E-03140A221
M20S-03140A120, M20E-03140A120
缩放
发射器:详细信息 类型:M20S-03140A120订货号: 1016428
接收器:详细信息 类型:M20E-03140A120订货号: 1016429
提示: 该款产品包含 1 个 Twin-Stick。如需运行一个 miniTwin2 系统,请订购 2 件。
重要提示:1.)关于作为备件的安装:针对在 2015 年 5 月 10 日前投放市场的机器,
可根据欧盟机械指令 2006 / 42 / EC 第 1 条第 (2a) 款的规定将本 2 类设备用作同等 PL d/SIL2 设备的备件。
请将此提示列入您的机器文件资料。在转卖时必须将此提示告知买方。2.)关于新机器的安装:
针对自 2015 年 5 月 10 日起上市的新机器,本 2 类设备的安装根据 EN/IEC 61496-1 的标准变更仅可达到 PL c/SIL1。
显示全部
产品特点
保护距离 0 m ... 25 m, 可调
小扫描范围 0 m ... 6 m
大扫描范围 2 m ... 25 m
光束数量 3
光幕间距或者分辨率 400 mm
响应时间 8 ms
同步 光学同步
安全技术参数
类型 类型 2 (IEC 61496-1)
安全完整性等级
类别 类别 2 (EN ISO 13849)
测试速率(内部测试) 13 /s (EN ISO 13849) 1)
要求速率 ≤ 8 min?1 (EN ISO 13849) 2)
性能等级 PL c (EN ISO 13849)
PFHD(每小时危险失效率) 6.6 x 10-9 (EN ISO 13849)
TM(持续运行时间) 20 年 (EN ISO 13849)
在错误情况下更安全 在关闭状态下至少有一个输出信号切换装置。
1) 内部测试。进行外部测试时不得超过测试速率。.
2) 在两次对与安全相关的设备反应的要求之间需至少进行 100 次内部或外部测试。.
功能
功能 交货状态
光束编码 ? 未编码
可设置的扫描范围 ?
接口
系统接口 7 针 M26 Hirschmann 插头
允许的电缆长度 60 m 1)
允许导体截面 ≥ 1 mm2
配置方式 通过接线连接
显示元件
LEDs
7 段显示
现场总线,工业网络
通过安全控制器 Flexi Soft 进行集成 CANopen 2)
1) 取决于具体负荷、电源和导线横截面。
必须遵守规定的技术参数。
电气参数
发射器 接收器
防护等级 III (IEC 61140)
供电电压 UV 24 V DC (19.2 V DC ... 28.8 V DC) 1)
功耗 ≤ 3.7 W (DC) ≤ 5 W (DC)
安全输出端 (OSSD) 2 个 PNP 半导体,短路保护、监控交叉电路 2)
开启状态,开关电压 HIGH – 24 V DC (UV – 2.25 V DC ... UV)
关闭状态,开关电压 LOW – ≤ 1 V DC
各 OSSD 的电流负载能力 – ≤ 500 mA
1) 外部电压供给设备根据 EN 60204-1 必须能缓冲 20 ms 的短时间断电。SICK 可提供合适的电源件。.
2) 适用于在 –30 V 和 +30 V 之间范围的电压.
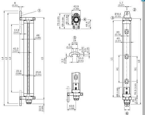
参考图
机械参数
维度 参见尺寸图
外壳横截面 48 mm x 40 mm
环境参数
外壳防护等级 IP65 (EN 60529)
工作环境温度 0 °C ... +55 °C
储存温度范围 –25 °C ... +70 °C
空气湿度 15 % ... 95 %, 非冷凝
抗振动 IEC 60068-2-6
抗冲击能力 10 g, 16 ms (IEC 60068-2-29)
其他信息
轴长 950 nm
SICK多光束安全光电传感器(接收器,发射器)