电 话:021-39526589-8004
联系人:覃小敏
手 机:19117262520
地 址: 中国 上海 嘉定区嘉涌路99弄6号713

更新时间:2025-02-21 浏览数:36
所属行业:机械设备> 阀门> 单向阀
发货地址:
产品规格:--
产品数量:1
包装说明:--
单 价:面议
德国力士乐单向阀,REXROTH结构图
以成本效益的方式更换磨损件作为检查
阀门安装套件可单独订购
? 带测量端口,可选
? 节流止回阀,可选
Z1S 型阀门为直动式夹层板止回阀。
它阻止一个方向的流动而不会泄漏,同时允许相反方向的自由流动。
塑料阀芯 (1) 的行程受塑料限制
插座 (2)。 安装的弹簧 (3) 支持关闭运动。 如果阀门没有流过,弹簧 (3) 将保持
塑料提升阀 (1) 处于关闭位置。 完美的密封性是
已在低压下实现 (0.1 x pmax)
? 用于垂直堆叠的夹层板阀
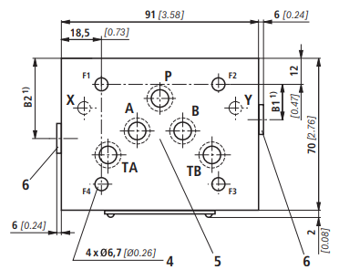
? 符合 ISO 4401-05-04-0-05 的移植模式,
ISO 4401-05-05-0-05 和 NFPA T3.5.1 R2-2002 D05
? 多种阻塞功能,一通道和二通道
? 高性能带来密封性塑料提升阀
? 耐腐蚀外壳设计,可选
环境温度范围 °C [°F] –20 … +80 [–4 … +176]
工作压力 bar [psi] 350 [5076]
开启压力 bar [psi] 0.5; 3; 5 [7.25; 43.51; 72.52]
流量 l/min [US gpm] 100 [26.4]
液压油见下表
液压油温度范围
(在阀门工作口)
°C [°F] –20 … +80 [–4 … +176]
粘度范围 mm2/s [SUS] 2.8 … 500 [35 … 2320]
? 适用于不同的液压油
更换外部密封圈(可改装)
德国力士乐单向阀,REXROTH结构图