电 话:028-86751041-8004
联系人:王倩
手 机:15308020014
地 址: 中国 上海 嘉定区嘉涌路99弄6号713

更新时间:2022-11-18 浏览数:63
所属行业:仪器仪表> 阀门> 流量控制阀
发货地址:
产品规格:--
产品数量:1
包装说明:--
单 价:面议
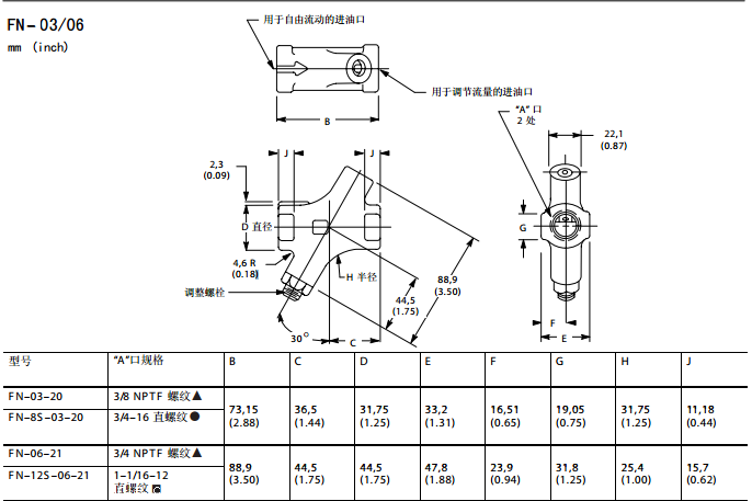
VICKERS流量控制阀FN-03/06系列安装尺寸说明


的大受控流量
FN–03 . . . . . . . . . . . 38 lpm (10 US gpm)
FN–06 . . . . . . . . . 75,7 lpm (20 US gpm)
FN–10 . . . . . . . . . . . . 189,3 (50 US gpm)
高工作压力
5% 可溶水包油溶液138 bar (2000 psi)
5% 207 bar (3000 psi)


油液和密封件
注: – 21及以后的设计号(06规格)和-11及以后的设计号(10规格)可以使用5%10%浓度的可溶油清水溶液(不适用于03规格),油液应当是级的可溶油液,专门设计用于重载应用。pH应当保持在8至9.5之间。
使用合成难燃油液的阀要求采用特殊密封件,当使用标准密封件使用磷酸酯类油液或它的混合液时型号要加上前缀 "F3"。
质量
FN–03 . . . . . . . . . . . . . . 0,59 kg (1.3 lbs)
FN–06 . . . . . . . . . . . . . . 1,04 kg (2.3 lbs)
FN–10 . . . . . . . . . . . . . . . 2.9 kg (6.5 lbs)
调节器适用于不要求带压力补偿的流量调节应用场合,应用中负载保持相对恒定,不需要压力补偿。这种阀不适合作为截止阀使用。
要使机床进给和相似的应用场合获得的控制,压力和温度补偿是必不可少的。
一般数据威格士的温度和压力补偿流量控制阀允许的体积控制。这些阀有带内装溢流阀的品种(旁通式)或不带内装溢流阀的品种(节流器式),适用压力达 251 bar (3600 psi)。
FN阀(调节器)FN 阀适用于不要求带压力补偿的流量调节应用场合,应用中负载保持相对恒定,不需要压力补偿。这种阀不适合作为截止阀使用。
F (C)G 阀(节流器)F (C )G阀是带压力和温度补偿的提供的可调整的流量,不受负载压力或温度变化的影响,这种阀在整个流量范围内都是可调整的。
在F (C)G装置在锁定位置时允许进行+8%流量设定02规格上的可选微调,当阀锁定值的调整,反向自由流动的单向阀选项有货。
在F(C)G-02规格阀中,供给速度的防窜改调整有货。
阀的适用系统压力达248 bar (3600 psi),流量范围达106 lpm (28 US gpm)。
FR G阀(旁通)FR G阀是带压力和温度补偿的。提供的可调整流量,不受负载或温度变化的影响,这种阀与内装的溢流阀组合,高压力设定值有69 bar(1000 psi),138 bar(2000 psi),或207 bar(3000 psi),过流能力是28 US gpm (106 lpm)。

VICKERS流量控制阀FN-03/06系列安装尺寸说明