电 话:028-86751041-8004
联系人:王倩
手 机:15308020014
地 址: 中国 上海 嘉定区嘉涌路99弄6号713

更新时间:2024-12-16 浏览数:29
所属行业:电子> 开关(电子元器件)> 接近开关
发货地址:
产品规格:--
产品数量:1
包装说明:--
单 价:面议
倍加福电感式接近开关PDF数据表

特性
? 基本系列
? 2 mm 齐平安装
接线方式

开关点功能DC 常开
额定动作距离 sn 2 mm
安装齐平安装
输出极性DC
可靠动作范围sa 0 ... 1.62 mm ( -25 ... 70 oC (-13 ... 158 F) )
0 ... 1.52 mm ( -40 ... -25 oC (-40 ... -13 F) )
衰减系数rAI 0.18
衰减系数rCu 0.12
衰减系数rV2A 0.67
额定等级
工作电压 UB 5 ... 60 V
开关频率 f 0 ... 1000 Hz
迟滞H 1 ... 10 典型值5 %
反极性保护忽略
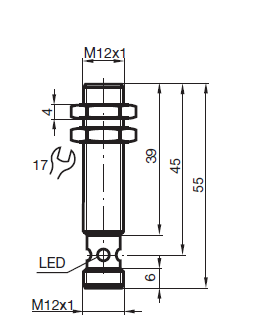
尺寸图

短路保护脉冲
电压降 Ud ≤ 5 V
工作电流 IL 2 ...100 mA
漏电流Ir 0 ... 0.5 mA 典型值
开关状态指示黄色多孔LED 指示灯
符合标准
标准IEC / EN 60947-5-2:2004
周围环境
环境温度-40 ... 70 oC (233 ... 343 K)
机械特性
接线形式V1- 连接器
外壳材料黄铜, 镀镍
感应面PBT
防护等级IP67
附件
BF 12
安装支架
V1-G-2M-PVC
电缆插头
V1-W-2M-PVC
电缆插头
V1-W
不带线电缆插座
V1-G
不带线电缆插座
倍加福电感式接近开关PDF数据表