电 话:028-86751041-8004
联系人:王倩
手 机:15308020014
地 址: 中国 上海 嘉定区嘉涌路99弄6号713

更新时间:2022-11-18 浏览数:63
所属行业:机械设备> 阀门> 执行器
发货地址:
产品规格:--
产品数量:1
包装说明:--
单 价:面议
PHOENIX继电器模块2900306详解资料
企业QQ:2880626087
手机;(微信)
电话:-8004
邮箱:@163.com
联系人;王倩
实物图样:

尺寸: 宽度
|
6.2 mm
|
|---|---|
| 高度 | 80 mm |
| 深度 | 94 mm |
环境条件:
| 环境温度(运行) | -40 °C ... 60 °C |
|---|---|
| 环境温度(存放/运输) | -40 °C ... 85 °C |
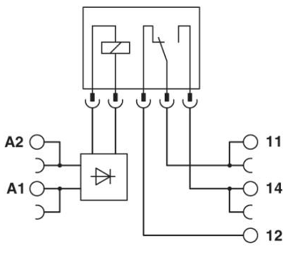
电路图:

触点侧:
| 触点类型 | 1PDT |
|---|---|
| 开关触点类型 | 单触点 |
| 触点材料 | AgSnO,镀硬质金 |
| 大切换电压 | 30 V AC |
| 36 V DC | |
| 小切换电压 | 100 mV (10 mA时) |
| 小切换电流 | 1 mA (24 V) |
| 大启动电流 | 50 mA |
| 限制连续电流 | 50 mA |
| 大额定功率值(电阻负载) | 1.2 W (24 V DC) |
概述:
| 测试电压继电器线圈/继电器触点 | 4 kV AC (50Hz,1min) |
|---|---|
| 操作模式 | 工作因数 |
| 保护等级 | RT III (继电器) |
| IP20 (继电器底座) | |
| 机械寿命 | 2 x 107 开关次数 |
| 安装位置 | 任意 |
| 组装说明 | 无间距排列 |
PHOENIX继电器模块2900306详解资料