电 话:021-39526589-8004
联系人:覃小敏
手 机:19117262520
地 址: 中国 上海 嘉定区嘉涌路99弄6号713

schmalz真空波纹管吸盘特点
企业QQ:2880626087
手机:
电话: -8004
传真: -8007
邮箱: @163.com
联系人:王倩
实物图样:

作用:
圆形波纹管吸盘,1.5倍折叠,用于处理纸板,钣金和木材
处理容易损坏的大型和重型工件(佳适应凸面)
特点:
大直径
软,锥形密封唇
1.5倍
非常坚硬的顶部折叠
支持底部
:
处理容易损坏的大型重型工件
非常适合弯曲的工件表面
放置在工件上时具有很高的吸力和佳的阻尼效果
在高加速度值下良好的抗水平力
薄壁工件没有变形
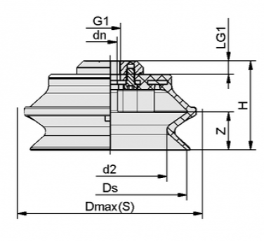
尺寸图:


技术数据:
属性值
吸力280 N
拉脱力570 N
卷330立方厘米
曲线半径(分钟)(凸面)85毫米
内部软管直径(建议)12毫米
尺寸110
乳头N 010
吸杯材料丁腈橡胶NBR
材料硬度70°Sh
重量358.3克
折叠数量1.5
产品系列FSGA
注意:
吸力:指定的吸力是在-0.6巴的真空度下的理论值,并且具有平滑
干燥的工件表面 - 它们不包括安全系数
软管直径:的软管直径是指软管长度约为。2米
相关图样:




schmalz真空波纹管吸盘特点