电 话:021-39526589-8004
联系人:章莹玲
手 机:18918574312
地 址: 中国 上海 嘉定区嘉涌路99弄6号713

更新时间:2026-05-18 浏览数:124
所属行业:机械设备> 阀门> 执行器
发货地址:
产品规格:--
产品数量:1
包装说明:--
单 价:面议
NORGREN拉杆气缸RA/802050/M/125技术参数
企业QQ:2880626087
手机:
电话: -8004
传真: -8007
邮箱: @163.com
联系人:王倩
一般信息:
符合ISO 15552标准(VDMA 24562和NFE 49-003-1)
高性能、高稳定性、高可靠性
聚氨酯密封圈可确保气缸可低摩擦运行并获得长寿命
磁性开关可与缸筒齐平安装
驱动:双作用
标准:ISO 15552
行程:125 mm
接口尺寸:G1/4
缸径:50 mm
实物图样:

技术参数:
介质:压缩空气,过滤的,润滑或未润滑的
接口尺寸:G1 / 4
驱动:双作用
工作压力:1 ... 16巴
工作温度:-20 ... 80°C
缸径:50毫米
活塞杆直径:20毫米
行程:125毫米
标准:ISO 15552
理论力:1178 N
缓冲长度:24毫米
活塞头密封:聚氨酯
材料 - 活塞杆:不锈钢(马氏体)
初始缓冲量:36.0立方厘米
型号:
QA/8050/61/400
QA/8050/61/450
QA/8050/51/400
RA/8063/M/200
SPCN/10067
RA/8040/M/25
RA/802050/M/50
PRA/182050/M/450
RA/8050/M/400
RA/8050/M/250
RA/8032/M/125
RA/8200/M/80
RA/8200/M/160
RA/8125/M/400
RA/8125/M/200
RA/8050/M/400
RA/8050/M/250
RA/8032/M/125
RA/8200/M/80
RA/8200/M/160
RA/8125/M/400
RA/8125/M/200
RA/8100/M/160
RA/8080/M/160
RA/8063/M/320
RA/8063/M/300
RA/8040/80
PRA/802032/M/160
SPCN/10075-01
SPCN/10075-12
SPCN/10074- outside painting
SPCN/10079-350
SPCN/10115
PRA/182100/M/500
PRA/182080/M/400
RA/8200/M/125
RA/8160/M/400
RA/8100/M/50
RA/8063/M/400
RA/8040/M/250
PRA/182100/M/250
PRA/182080/M/25
RA/8200/M/250
RA/8160/M/200
SPCN/10150/WFGJ
K52A9KN
JJLR0015XB
JJLR0022XB
JJLR0038XB
JJLR0051XB
JJLR0071XB
SPCN/10234
RM/8025/MU/505/565
SPCN/10255- Rework
M/P74582/2
SPCN/10075-04
SPCN/10075-22
PRA/802063/M/100
PRA/182100/M/80
PRA/182032/M/50
PRA/182050/M/80
PRA/182063/M/400
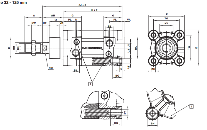
尺寸图:


相关图样:






NORGREN拉杆气缸RA/802050/M/125技术参数