电 话:021-39526589-8004
联系人:章莹玲
手 机:18918574312
地 址: 中国 上海 嘉定区嘉涌路99弄6号713

更新时间:2026-05-18 浏览数:52
所属行业:机械设备> 阀门> 执行器
发货地址:
产品规格:--
产品数量:1
包装说明:--
单 价:面议
NORGREN夹紧气缸M/50112/4技术参数
企业QQ:2880626087
手机:
电话: -8004
传真: -8007
邮箱: @163.com
联系人:王倩
描述:
可在有限的空间内获得很高的推力
外观简洁
结构简单
驱动:单作用
行程:4 mm
接口尺寸:M5
缸径:12 mm
实物图样:

技术参数:
介质:压缩空气
接口尺寸:M5
驱动:单作用
工作压力:2 ... 10 bar
工作温度:-10 ... 70 °C
缸径:12 mm
活塞杆直径:6 mm
行程:4 mm
气缸可变螺纹:内螺纹活塞杆
理论力:55 N
密封:丁腈橡胶
主体:阳极化铝
材料 - 活塞杆:不锈钢(奥氏体)
Norgren诺冠经典产品:
为客户所熟知的Martonair、Enots和Herion等主要产品都属于经典
系列产品。它们都拥有大量的应用案例,同时也影响着新产品的开
发。特点:*带制动装置的标准手动应急控制。*紧凑设计。*大流量。
*软密封滑阀系统的简易设计。*免维护保养。*拆卸简便的电磁线圈
系统。
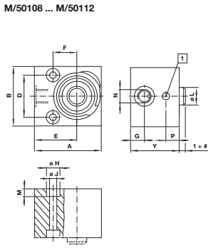
尺寸图:


型号:
M/50150/25
M/50163/10
M/50163/25
M/50208/10
M/50208/4
M/50212/10
M/50212/4
M/50220/10
M/50220/4
M/50232/10
M/50232/25
M/50232/5
M/50250/10
M/50250/25
M/50263/10
M/50263/25
M/55903
M/55905
M/50050
M/50051
M/50052
M/50108/4
M/50112/10
M/50112/4
M/50120/10
M/50120/4
M/58027/VAN/P
M/58027/VAP/P
M/58028/VB
M/58028/VF
M/58080
M/58102/10
M/58102/120
M/58102/20
M/58102/30
M/58102/60
M/58102/90
M/58102/N/10
M/50132/10
M/50132/25
M/50132/5
M/50150/10
相关图样:





NORGREN夹紧气缸M/50112/4技术参数