电 话:021-39526589-8004
联系人:覃小敏
手 机:19117262520
地 址: 中国 上海 嘉定区嘉涌路99弄6号713

VICKERS齿轮泵详细信息
企业QQ:2880626087
手机:
电话: -8004
传真: -8007
邮箱: @163.com
联系人:王倩
实物图样:

一般技术规格:
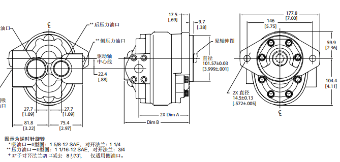
旋转方向 逆时针或顺时针
安装法兰 SAE 2 螺栓 B
高连续 压力 248 bar[3600 PSI]
高间歇++压力 276 bar[4000 PSI]
在连续压力下的低转速 750 RPM
进油口高连续温度 107°C [225°F]
低工作温度 -29°C [-20°F]
高进油口真空度在 82°C [180°F] 和额定转速下 6.0 In. Hg
性能数据:
性能 25500 25501 25502 25503 25504 25505 25506 25507 25508
排量 21.3 25.4 29.2 33.6 38.2 42.8 46.7 51.1 55.2
cm 3
/r [in 3
/r] [1.30] [1.55] [1.78] [2.05] [2.33] [2.61] [2.85] [3.12] [3.37]
高连续+ 248 248 248 248 248 248 224 207 190
压力 bar[PSI] [3600] [3600] [3600] [3600] [3600] [3600] [3250] [3000] [2750]
高间歇++ 276 276 276 276 276 276 252 234 217
压力 bar[PSI] [4000] [4000] [4000] [4000] [4000] [4000] [3650] [3400] [3150]
额定转速 (RPM) 3500 3000 3000 2750 2750 2500 2500 2500 2250
输出流量在
207 bar[3000 PSI] 68.9 68.5 77.4 89.4 102.0 103.0 112.0 127.5 124.1
和额定转速下 [18.2] [18.1] [20.5] [23.6] [27.0] [27.2] [29.6] [33.7] [32.8]
LPM [GPM]
输入功率在
207 bar[3000 PSI] 27.5 27.5 31.1 35.3 39.5 39.6 42.4 49.4 48.2
和额定转速下 [36.9] [36.9] [41.7] [47.3] [53.0] [53.1] [56.8] [66.2] [64.7]
KW [HP]
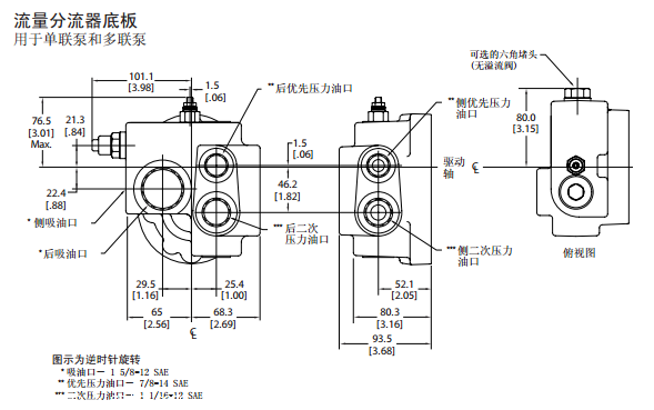
尺寸图:

齿轮泵的工作原理:
它是分离三片式结构,三片是指泵盖4,8和泵体7,泵体7内装有一对齿
数相同、宽度和泵体接近而又互相啮合的齿轮6,这对齿轮与两端盖和
泵体形成一密封腔,并由齿轮的齿顶和啮合线把密封腔划分为两部分,
即吸油腔和压油腔。两齿轮分别用键固定在由滚针轴承支承的主动轴
12和从动轴15上,主动轴由电动机带动旋转。
当齿轮泵主动齿轮转动,吸油腔齿轮脱开啮合,齿轮的轮齿退出齿间,
使密封容积增大,形成局部真空,油箱中的油液在外界大气压的作用下,
经吸油管路、吸油腔进入齿间。随着齿轮转动,吸入齿间的油液被带
到另一侧,进入压油腔。这是齿轮进入啮合,使密封性逐渐减小,齿
轮间部分的油液被挤出,形成了齿轮的压油过程。齿轮啮合时齿向接
触线把吸油腔和压油腔分开,起配油作用。当齿轮泵的主动齿轮有电
机带动不断转动时,齿轮脱开啮合一侧,由于密封容积变大,则不断
从油箱中吸油,轮齿进入啮合的一侧,由于密封容积减小则不断地排
油,形成一个不断循环的过程

VICKERS齿轮泵详细信息