电 话:021-39526589-8004
联系人:覃小敏
手 机:19117262520
地 址: 中国 上海 嘉定区嘉涌路99弄6号713

更新时间:2022-11-18 浏览数:47
所属行业:机械设备> 阀门> 执行器
发货地址:
产品规格:--
产品数量:1
包装说明:--
单 价:面议
VICKERS直列柱塞马达参数报价
企业QQ:2880626087
手机:
电话: -8004
传真: -8007
邮箱: @163.com
联系人:王倩
实物图样:

优点:
威格士的定量直列柱塞马达提供 5 种扭矩
额定值,转速从 100 至 3600 r/min,压力
至 210 bar (3000 psi)。反向轴旋转和法兰
或脚架安装有货。
● 效率高
总的工作效率能够高达 93%,容积效率
高达 97%,取决于马达的规格、压力、
转速、油液黏度和温度。
● 紧凑,性能好
高速、高压和高效使威格士直列设计马
达具有高功率密度。结果是性能好,体
积小,要求小的安装空间。
● 旋转
通过使马达油口的流量反向,就能简单
地实现反向旋转。
● 低速能力
低转速能够在 50 和 100 r/min 之间
变化,取决于马达的规格和驱动负载的
特性。
● 可靠性
威格士直列设计马达已经在各类设备用
途中进行了长时间的严格工作考核。验
证表明马达节省成本、重量轻,具备柱
塞元件高效固有特性的所有优点。
● 维护保养方便性
简单的威格士设计不仅维护方便 (常常不
需要拆下元件),还提高了可靠性。威格
士的直列马达和竞争者的马达相比,零
件数目要少得多。
应用:
威格士的柱塞马达设计用于满足样本中
"额定值" 部分所示的技术规格。在下述工
况要保证佳的马达性能,请向您的威格
士人咨询:
● 压力要求高于 100 bar (1500 psi)。
● 转速高于 1800 r/min 额定值。
● 转速低于的低转速 100 r/min。
● 系统要求难燃液或其他液体。
● 工作温度不在 38℃ 至 66℃(100? 至
150?) 范围。在使用和油液条件正常
下,允许更大的温度范围。
● 在工作条件下,油液黏度不在 (100-250
SUS) 范围。
● 应用工况要求间接驱动。
● 起动时的油液黏度超过1000 SUS。
● 非水平安装位置。
安装数据:
采用水平安装,保持必要的壳体液
位。壳体泄漏管必须全口径,不受节流,
并且从泄油口直接连到油箱,使壳体保持
充满油液。泄漏管的配管必须避免虹吸现
象,配泄油管要使它在油箱液面以下终
结,其他管路不得连接该泄油管。必须注
意马达壳体压力不能超过 0,35 bar (5 psi)。
起动:
起动马达之前,壳体要注满油。壳体始终
要充满油,提供内部润滑。
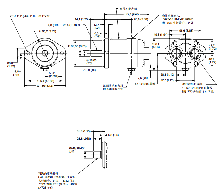
尺寸图:

VICKERS直列柱塞马达参数报价