电 话:021-39526589-8004
联系人:覃小敏
手 机:19117262520
地 址: 中国 上海 嘉定区嘉涌路99弄6号713

更新时间:2022-11-18 浏览数:57
所属行业:机械设备> 阀门> 执行器
发货地址:
产品规格:--
产品数量:1
包装说明:--
单 价:面议
原装意大利CAMOZZI短行程气缸QP2A012A010
企业QQ:2880626087
手机:
电话: -8004
传真: -8007
邮箱: @163.com
联系人:王倩
实物图样:

描述:
在外部配置文件获得
平行于滑动轴线
在三边的茎干上应用指南
并放置传感器进行检测
的活塞位置。 多少
关注QPR,反转指南
合并使它们适合于操作
喂食和收集碎片
操作设备。
QP-QPR短行程气缸由十
个不同的零件组成
孔径从?12到?100.它们的
紧凑性使其可以安装在
小的位置
空间。 特殊的建设性
解决方案也允许使用这些气缸
脚和铰链紧固件
特性:
结构类型QP系列:紧凑型材
QPR系列:紧凑型,带防旋转导轨
QP系列操作:简单和双重效果
QPR系列:双重效果
车身材料:阳极氧化铝
干:不锈钢卷
活塞密封件:PU
阀杆密封件:PU(?12÷25 mm) - NBR(?32÷100 mm)
工作温度0°C至80°C(干燥空气-20°C)
通过螺钉或锚固件固定的类型
工作压力1÷10 bar(双作用)
2÷10巴(单效)
过滤空气流体,无需润滑。
如果使用润滑空气,我们使用ISOVG32润滑油并且永不中断润滑。
行程(min-max):QP系列:1÷150 mm(?12÷25) - 1÷200 mm(?32÷100)
QPR系列:1÷50 mm(?12) - 1÷75 mm(?16) - 1÷100 mm(?20÷100)
使用传感器的小行程为10毫米
钻孔直径12,16,20,25,32,40,50,63,80,100
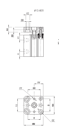
尺寸图:


型号:
QN2A20A10
QN2A20A10V
QN2A20A25
QN1V20A04
QN1V20A10
QN1A32A05
QN1A32A05EX
QN1A32A10
QN2A32A10
QN1A32A25
QN2A32A25
QN1V32A05
QN1V32A10
QN1V32A25
QN1A50A10
QN2A50A10
QN2A50A10V
QN2A50A16
QN1A50A25
QN2A50A25
QN1V50A10
QN1V50A25
QN1A63A10
QN1A63A10EX
QN2A63A10
QN1A63A25
QN2A63A25
QN1V63A10
QN1V63A25
QP2A012A004
QP1A012A005
QP2A012A005
QP2A012A005V
QP3A012A005
QP2A012A007
QP1A012A010
QP1A012A010EX
原装意大利CAMOZZI短行程气缸QP2A012A010