电 话:028-86751041-8004
联系人:王倩
手 机:15308020014
地 址: 中国 上海 嘉定区嘉涌路99弄6号713

更新时间:2022-11-18 浏览数:62
所属行业:机械设备> 阀门> 执行器
发货地址:
产品规格:--
产品数量:1
包装说明:--
单 价:面议
P+F激光后向反射传感器OBR2000-R3-E0-L
企业QQ:2880626087
手机:
电话: -8004
传真: -8007
邮箱: @163.com
联系人:王倩
实物图样:

描述:
激光后向反射传感器,带M3安装的超小型设计,
偏振滤光片,2000毫米检测范围,NPN输出,2
米固定电缆,超小外壳设计,DuraBeam激光传
感器 - 耐用且可用于LED,45°电缆出口在极
其狭小的空间限制下实现大的安装自由度,
通过耐磨防静电玻璃前端提高机器可用性
特征:
超小外壳设计
DuraBeam激光传感器 - 耐用,可以像LED一样使用
45°电缆出口,可在极其狭小的空间限制下实现
大安装自由度
抗磨防静电玻璃前部改善了机器的可用性
产品阐述:
激光后向反射传感器,超小型设计,M3安装,偏振滤光
片,2000毫米检测范围,NPN输出,2米固定电缆
一般规格:
有效的检测范围0 ... 2米
阈值检测范围2.3米
光源激光二极管
轻型调制可见红光,680 nm
偏振滤光片是
激光名义评级
激光类1
波长680纳米
光斑直径约。距离2000毫米35毫米
发散角约。0.5°
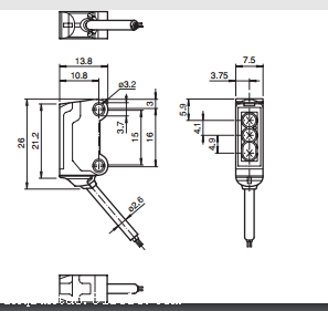
机械规格:
房屋宽度7.5毫米
房屋高度26毫米
住房深度13.8毫米
防护等级IP67
连接2米固定电缆
材料:
住房PC / ABS和TPU
光学脸玻璃
电缆PUR
功能安全相关的参数:
MTTF d800 a
任务时间(T M)20 a
诊断覆盖率(DC)0%
指标/操作手段:
功能指示器LED黄色:接收光束时点亮; 在失去稳
定性控制时闪烁; 当光束中断时关闭
电气规格:
工作电压12 ... 24 V
产量
切换类型没有联系
信号输出1 NPN输出,短路保护,反极性保护,
集电极开路
指令符合性
电磁兼容
指令2014/30 / EUEN 60947-5-2:2007 EN 609
47-5-2 / A1:2012
注意:
?照射可能会在黑暗环境中引起刺激。 不要提及人
!
?维护和维修只能由的维修人员进行!
?设备的安装必须使警告清晰可见并清晰可见。
?设备附有警告说明,并且必须安装在靠近的位置
的设备可见。
?小心:如果使用其他控制或调整装置,则不在此列
其他程序被执行,这可能导致辐射的有害影响。
尺寸图:

机械规格:
房屋宽度7.5毫米
房屋高度26毫米
住房深度13.8毫米
防护等级IP67
连接2米固定电缆
材料:
住房PC / ABS和TPU
光学脸玻璃
电缆PUR
P+F激光后向反射传感器OBR2000-R3-E0-L